Curiosii for ever!: Car repair manuals for everyone.

Input Speed Sensor Replacement




Input Speed Sensor Replacement

Removal Procedure

1. Remove the transmission control valve body cover. Refer to Control Valve Body Cover Replacement Control Valve Body Cover Replacement.





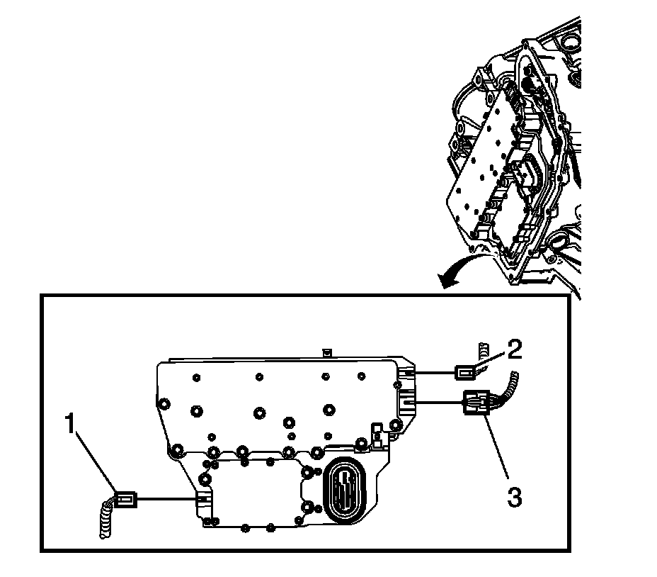
2. Disconnect the input speed sensor electrical connector (1).





3. Remove the input speed sensor bolt (2) M6 x 23.

4. Remove the input speed sensor (3).

5. Remove the 3 input speed sensor seals (1).

Installation Procedure





1. Install the 3 input speed sensor seals (1).

2. Install the input speed sensor (3).

Caution:
Refer to Fastener Caution Fastener Caution.

3. Install the input speed sensor bolt (2) M6 x 23 and tighten to 12 Nm (106 lb in).





4. Connect the input speed sensor electrical connector (1).

5. Install the transmission control valve body cover. Refer to Control Valve Body Cover Replacement Control Valve Body Cover Replacement.

6. Perform the service fast learn adapt procedure.