Curiosii for ever!: Car repair manuals for everyone.

Battery Positive and Negative Cable Replacement




Battery Positive and Negative Cable Replacement (LUK)

Removal Procedure




1. Disconnect the negative battery cable. Refer to Battery Negative Cable Disconnection and Connection Battery Negative Cable Disconnection and Connection.




2. Release the tabs (1) and open the battery fuse block cover (2).




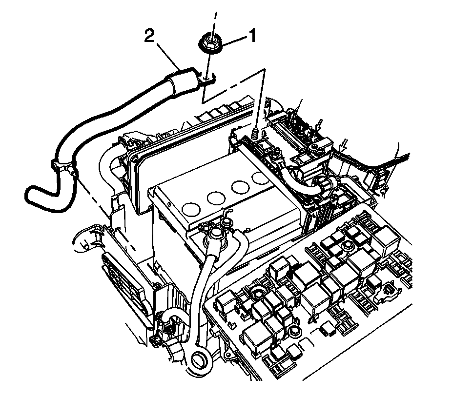
3. Remove the battery positive nut (1) and the cable (2), from the battery fuse block.




4. Remove the battery negative nut (1) and terminal (2) from the left front frame rail.




5. Remove the battery positive and negative cable (1) from the ground frame stud.




6. Remove the battery positive and negative cable bolt (1) and the ground terminal (2).




7. Remove the starter solenoid nut (1) and battery positive cable (2) from the starter solenoid.

Note: Observe how the battery positive and negative cable was routed within the engine compartment.

8. Remove the battery positive and negative cable from the engine compartment.

Installation Procedure





Caution: Refer to Fastener Caution Fastener Caution.

1. Install the battery positive cable (2) to the battery fuse block and tighten the nut (1) to 10 Nm (88 lb in).




2. Install the battery positive and negative cable (1) to the frame rail stud.




3. Install the negative battery cable terminal (2) and tighten the nut (1) to 25 Nm (18 lb ft).




4. Install the battery positive and negative cable terminal and nut (1) to the starter solenoid. Tighten to 10 Nm (88 lb in).




5. Install the battery positive and negative cable (2) to the engine block. Tighten the bolt (1) to 25 Nm (18 lb ft).




6. Close battery fuse block cover (2) and connect battery negative cable. Refer to Battery Negative Cable Disconnection and Connection Battery Negative Cable Disconnection and Connection.