Curiosii for ever!: Car repair manuals for everyone.

Transmission Replacement




Transmission Replacement

Removal Procedure
Remove the intake manifold cover. Intake Manifold Cover Replacement
Remove the battery tray. Service and Repair






Remove the shift lever cables (2) from the selector on the transmission. Refer to Manual Transmission Shift Lever and Selector Lever Cable Replacement.
Remove the clutch actuator cylinder hose.
Disconnect the connector from the reverse light switch. Refer to Backup Lamp Switch Replacement.






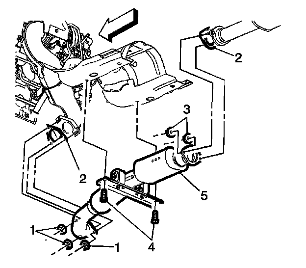
Remove the upper transmission fasteners (1).
Install the engine support fixture. Engine Support Fixture






Remove the exhaust front pipe (5). Service and Repair
Remove the drivetrain and front suspension frame. Service and Repair
Remove the transmission front mount. Refer to Transmission Front Mount Replacement.
Remove the transmission rear mount bracket. Refer to Transmission Mount Bracket Replacement - Rear.






Remove the intermediate shaft (3). Refer to Intermediate Shaft Replacement.
Remove the left driveshaft from the transmission. Front Wheel Drive Shaft Replacement - Left Side (GNA)
Lower the vehicle.
Remove the fasteners to the transmission bracket left side. Refer to Transmission Mount Replacement - Left Side.
Lower the engine enough to access the transmission.
Raise the vehicle.
Secure the transmission to a suitable transmission jack.






Remove the lower transmission fasteners (1).






Remove the lower transmission fasteners (1).
Separate the transmission from the engine.

Installation Procedure
Lubricate the input shaft splines and the two guiding sleeves.
Position the transmission to the engine.
Caution: Refer to Fastener Caution Fastener Caution






Install the lower transmission fasteners (1) and tighten to 60 Nm (44 lb ft).






Install the lower transmission fasteners (1) and tighten to 60 Nm (44 lb ft).
Remove the transmission jack.
Lower the vehicle.
Raise the engine to the correct level with the engine support fixture.
Install the fasteners to the transmission bracket left side. Refer to Transmission Mount Bracket Replacement - Left Side.
Remove the engine support fixture.






Install the upper transmission fasteners (1) and tighten to 60 Nm (44 lb ft).
Raise the vehicle.
Install the rear transmission mount bracket. Refer to Transmission Mount Bracket Replacement - Rear.
Install the transmission front mount. Refer to Transmission Front Mount Replacement.






Install the intermediate shaft (3) and the right driveshaft. Refer to Intermediate Shaft Replacement.
Install the left driveshaft to the transmission. Refer to Front Wheel Drive Shaft Replacement - Left Side.
Install the drivetrain and front suspension frame. Refer to Drivetrain and Front Suspension Frame Replacement.






Install the exhaust front pipe (5). Refer to Exhaust Front Pipe Replacement.
Lower the vehicle.
Install the clutch actuator cylinder hose.






Install the shift lever cables (2) to the selector on the transmission. Refer to Manual Transmission Shift Lever and Selector Lever Cable Replacement.
Connect the connector to the reverse light switch. Refer to Backup Lamp Switch Replacement.
Install the battery tray. Refer to Battery Tray Replacement.
Install the intake manifold cover. Refer to Intake Manifold Cover Replacement.