Curiosii for ever!: Car repair manuals for everyone.

Shift Cable: Service and Repair




Range Selector Lever Cable Replacement

Removal Procedure

1. Set the park brake and chock the wheels.




2. Disconnect the transmission range selector lever cable terminal (1) from the transmission manual shift lever pin (2).




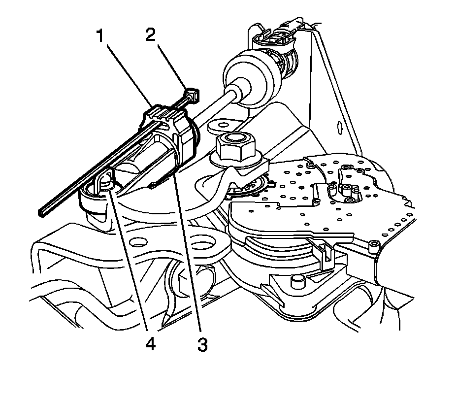
3. Press the locking tabs inward (1) in order to release the transmission range selector lever cable (2) from the cable bracket (3).
4. Remove the console. Refer to Front Floor Console Replacement (Front Floor Console Replacement).




5. Press the locking tabs inward (1) in order to release the transmission range selector lever cable (3) from the cable bracket (2).
6. Release the retainer and then remove the cable end terminal from shifter pin.




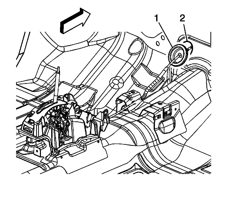
7. Remove the transmission range selector lever cable grommet (1) from the cowl panel.
8. Remove the transmission range selector lever cable from the vehicle.

Installation Procedure




1. Install the transmission range selector lever cable to the vehicle.
2. Install the transmission range selector lever cable grommet (1) to the cowl panel (2).




3. Connect the transmission range selector cable terminal to the shift lever pin.
4. Remove the cable tie and secure the retainer.
5. Install the cable (3) to transmission shifter base (2).
6. Install the console. Refer to Front Floor Console Replacement (Front Floor Console Replacement).




7. Install the transmission range selector lever cable (2) to the cable bracket (3).




8. Connect the transmission range selector lever cable terminal (4) to the transmission manual shift lever pin.
9. Ensure that the shift lever and the shifter are in the Park position. Secure the shift cable adjustable lock into place. Remove the lock retainer (2). Ensure that the adjustable lock (1) is properly seated.