Curiosii for ever!: Car repair manuals for everyone.

Front Wheel Speed Sensor Replacement




Front Wheel Speed Sensor Replacement

Removal Procedure
Warning: Refer to Brake Dust Warning (Brake Dust Warning).


1. Raise and support the vehicle. Refer to Lifting and Jacking the Vehicle (Service and Repair).
2. Remove the tire and wheel assembly. Refer to Tire and Wheel Removal and Installation (Service and Repair).
3. Clean the wheel speed sensor mounting area on the steering knuckle of any accumulated dirt and debris.




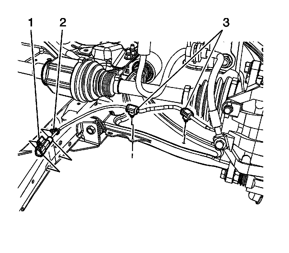
4. Disconnect the wheel speed sensor electrical connector (1) and release the connector from the frame.
5. Release the harness clip (2) from the frame.
6. Release the harness clips (3) from the lower control arm.




7. Remove any accumulated dirt and debris from the surrounding the wheel speed sensor.
8. Remove the wheel speed sensor bolt (1).




9. Remove the wheel speed sensor (1) from the steering knuckle.
10. Release the harness clip (2) from the steering knuckle and remove the wheel speed sensor.

Installation Procedure




1. Install the wheel speed sensor (1) to the steering knuckle.
2. Install the harness clip (2) to the steering knuckle.





Caution: Refer to Fastener Caution (Fastener Caution).

3. Install the wheel speed sensor bolt (1) and tighten to 9 Nm (80 lb in).




4. Connect the wheel speed sensor electrical connector (1) and secure the connector to the frame.
5. Install the harness clip (2) to the frame.
6. Install the harness clips (3) to the lower control arm.
7. Install the tire and wheel assembly. Refer to Tire and Wheel Removal and Installation (Service and Repair).
8. Perform the Diagnostic System Check - Vehicle (Diagnostic System Check - Vehicle).