Curiosii for ever!
: Car repair manuals for everyone.
Home
>>
Buick
>>
2011
>>
Lucerne V6-3.9L
>>
Repair and Diagnosis
>>
Wiper and Washer Systems
>>
Wiper Motor
>>
Service and Repair
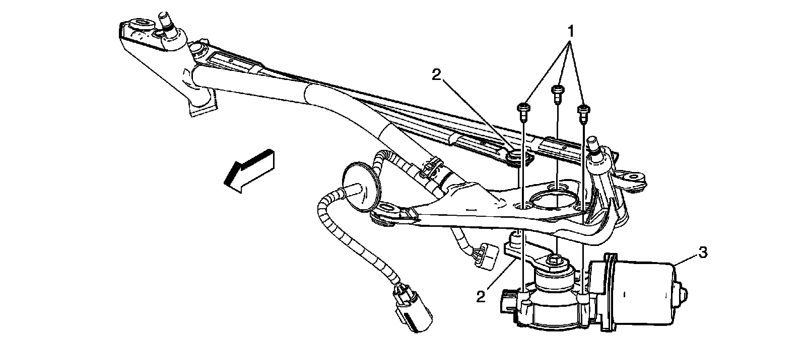
Wiper Motor: Service and Repair
Windshield Wiper Motor Replacement