Curiosii for ever!: Car repair manuals for everyone.

Engine Ground Strap Replacement




Engine Ground Strap Replacement

Removal Procedure




1. Remove the intake manifold cover, Refer to Intake Manifold Cover Replacement (Intake Manifold Cover Replacement).
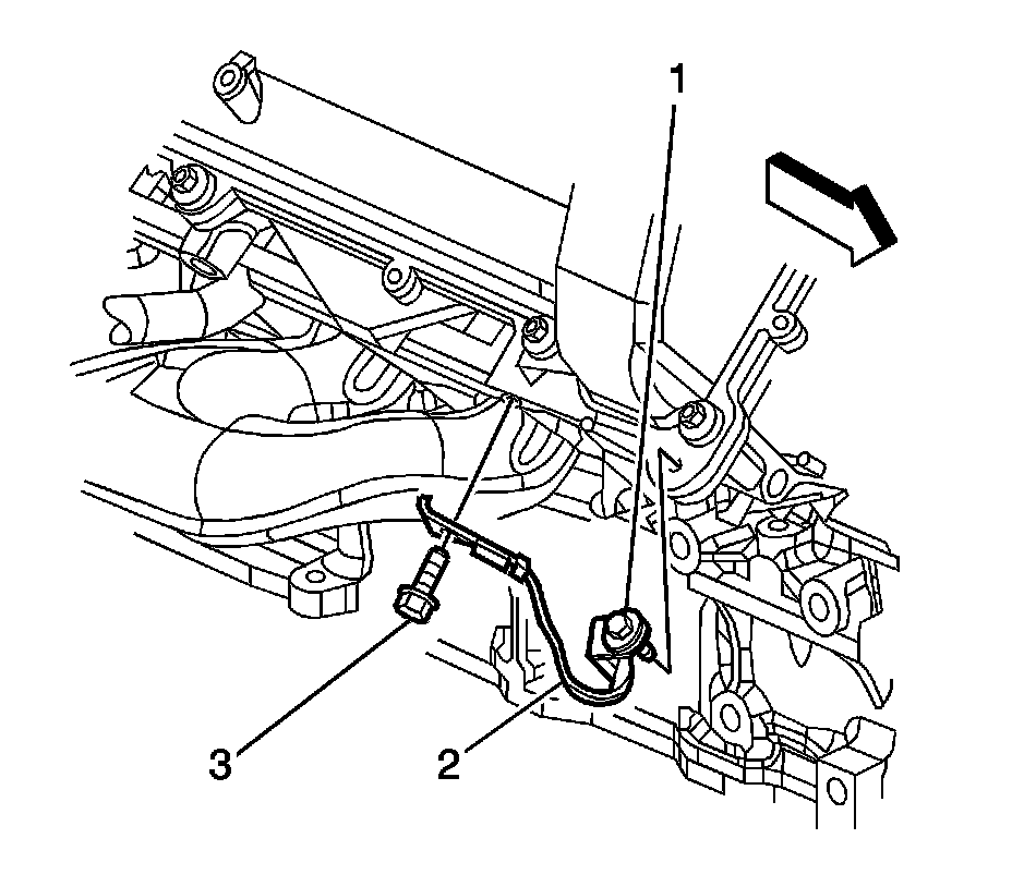
2. Remove the ignition control module (ICM) ground strap bolt (3) from the cylinder head.
3. Loosen the ICM ground strap bolt (1) from the camshaft cover.
4. Remove the ICM ground strap (2).




5. Remove the ICM ground strap bolt (3) from the cylinder head.
6. Loosen the ICM ground strap bolt (1) from the camshaft cover.
7. Remove the ICM ground strap (2).

Installation Procedure




1. Install the ICM ground strap (2).

Caution: Refer to Fastener Caution (Fastener Caution).

2. Tighten the ICM ground strap bolt (1) to the camshaft cover to 10 Nm (89 lb in).
3. Install the ICM ground strap bolt (3) to the cylinder head and tighten to 25 Nm (18 lb ft).




4. Install the ICM ground strap (2).
5. Tighten the ICM ground strap bolt (1) to the camshaft to 10 Nm (89 lb in).
Install the ICM ground strap bolt (3) to the cylinder head and tighten to 10 Nm (89 lb in).
6. Install the intake manifold cover. Refer to Intake Manifold Cover Replacement (Intake Manifold Cover Replacement).