Curiosii for ever!
: Car repair manuals for everyone.
Home
>>
Buick
>>
2010
>>
Lucerne V8-4.6L
>>
Repair and Diagnosis
>>
Power and Ground Distribution
>>
Diagrams
>>
Electrical Diagrams
>>
Power Distribution Schematics
>>
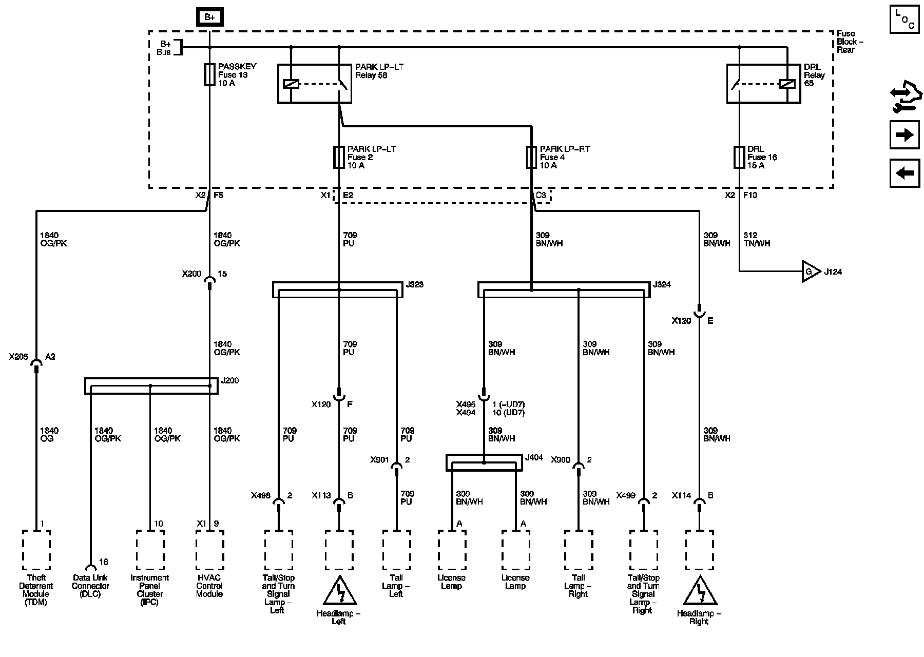
Power Distribution Schematic 9
Power Distribution Schematic 9
Power Distribution Schematics
PRK LAMP, DRL Relays, IP HARN MDL, LT PRK LAMP, RT PRK LAMP, DRL Fuses