Curiosii for ever!
: Car repair manuals for everyone.
Home
>>
Buick
>>
2010
>>
Lucerne V8-4.6L
>>
Repair and Diagnosis
>>
Power and Ground Distribution
>>
Diagrams
>>
Electrical Diagrams
>>
Power Distribution Schematics
>>
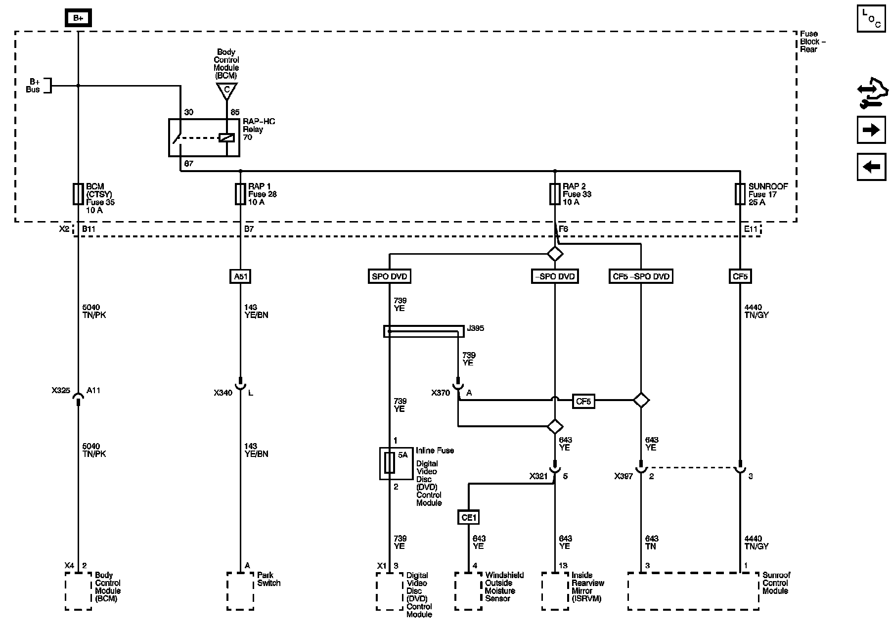
Power Distribution Schematic 13
Power Distribution Schematic 13
Power Distribution Schematics
RAP RELAY, CTSY/RF TRN, S/ROOF, SHFTR SOL, RAP Fuses