Curiosii for ever!
: Car repair manuals for everyone.
Home
>>
Buick
>>
2010
>>
Lucerne V6-3.9L
>>
Repair and Diagnosis
>>
Power and Ground Distribution
>>
Diagrams
>>
Electrical Diagrams
>>
Power Distribution Schematics
>>
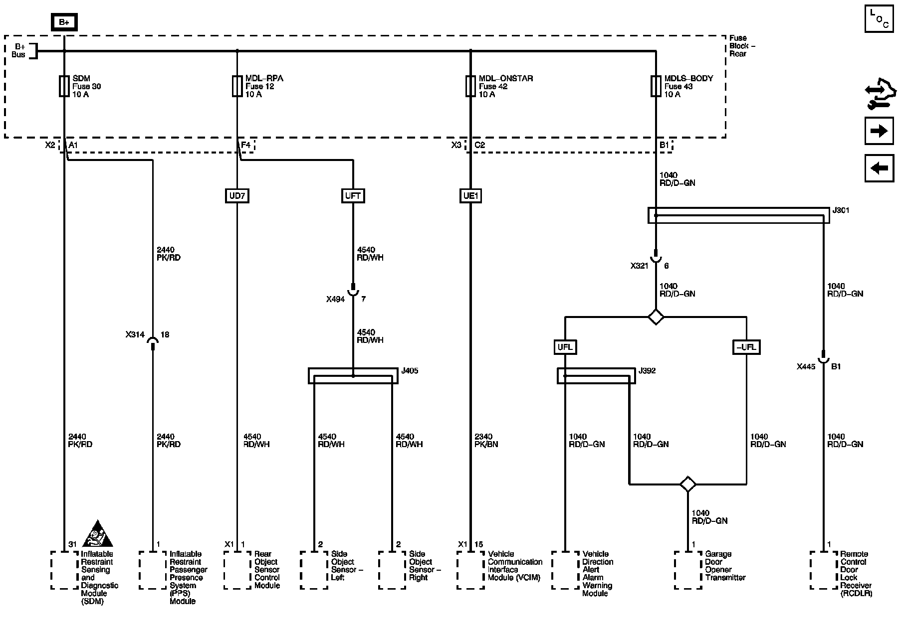
Power Distribution Schematic 10
Power Distribution Schematic 10
Power Distribution Schematics
AIR BAG, OBJ SNSR, ONSTAR/S-BAND, BODY HARN MDL Fuses