Curiosii for ever!
: Car repair manuals for everyone.
Home
>>
Buick
>>
2010
>>
Lucerne V6-3.9L
>>
Repair and Diagnosis
>>
Diagrams
>>
Electrical Diagrams
>>
Locks
>>
System Diagram
>>
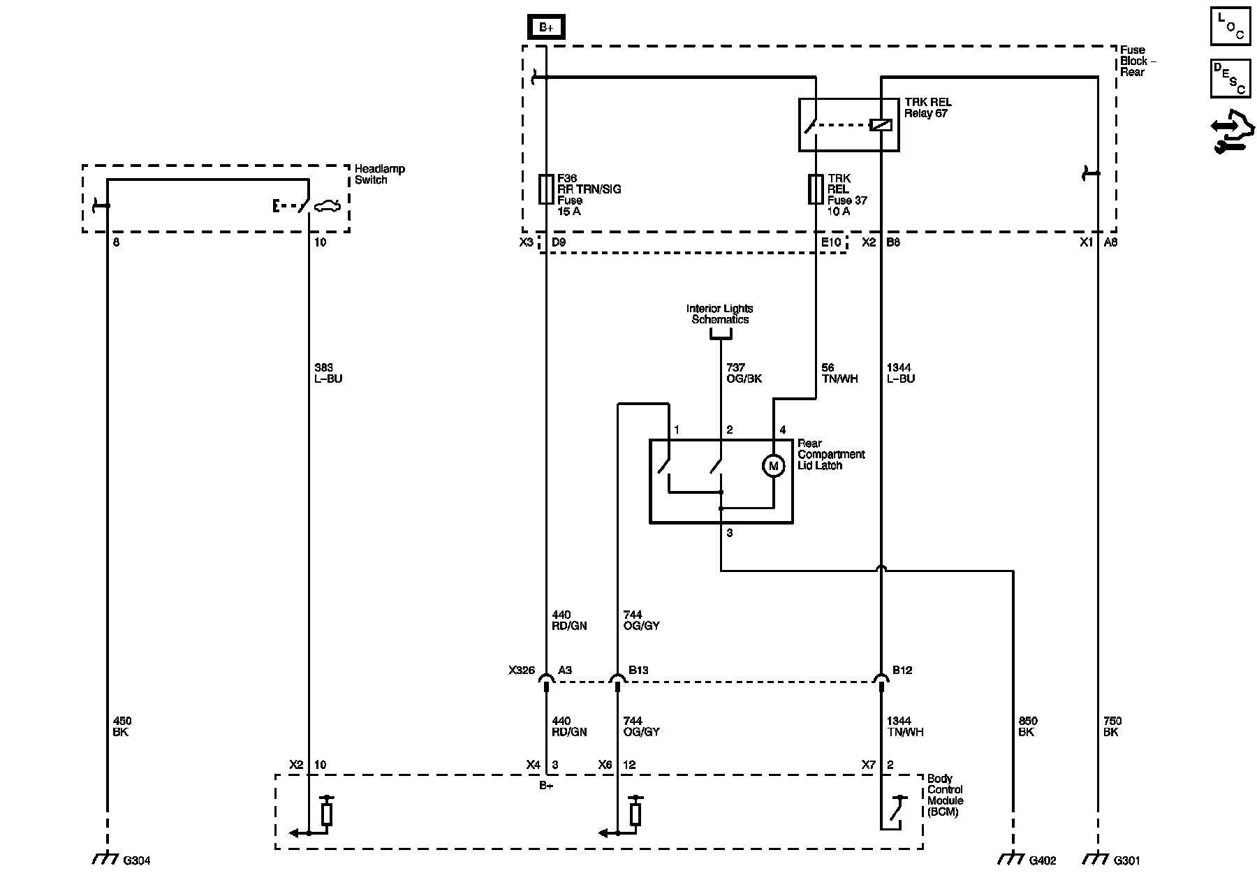
Release Systems Schematics
Release Systems Schematics
Release Systems Schematics