Curiosii for ever!
: Car repair manuals for everyone.
Home
>>
Buick
>>
2010
>>
LaCrosse FWD L4-2.4L
>>
Repair and Diagnosis
>>
Starting and Charging
>>
Power and Ground Distribution
>>
Diagrams
>>
Electrical Diagrams
>>
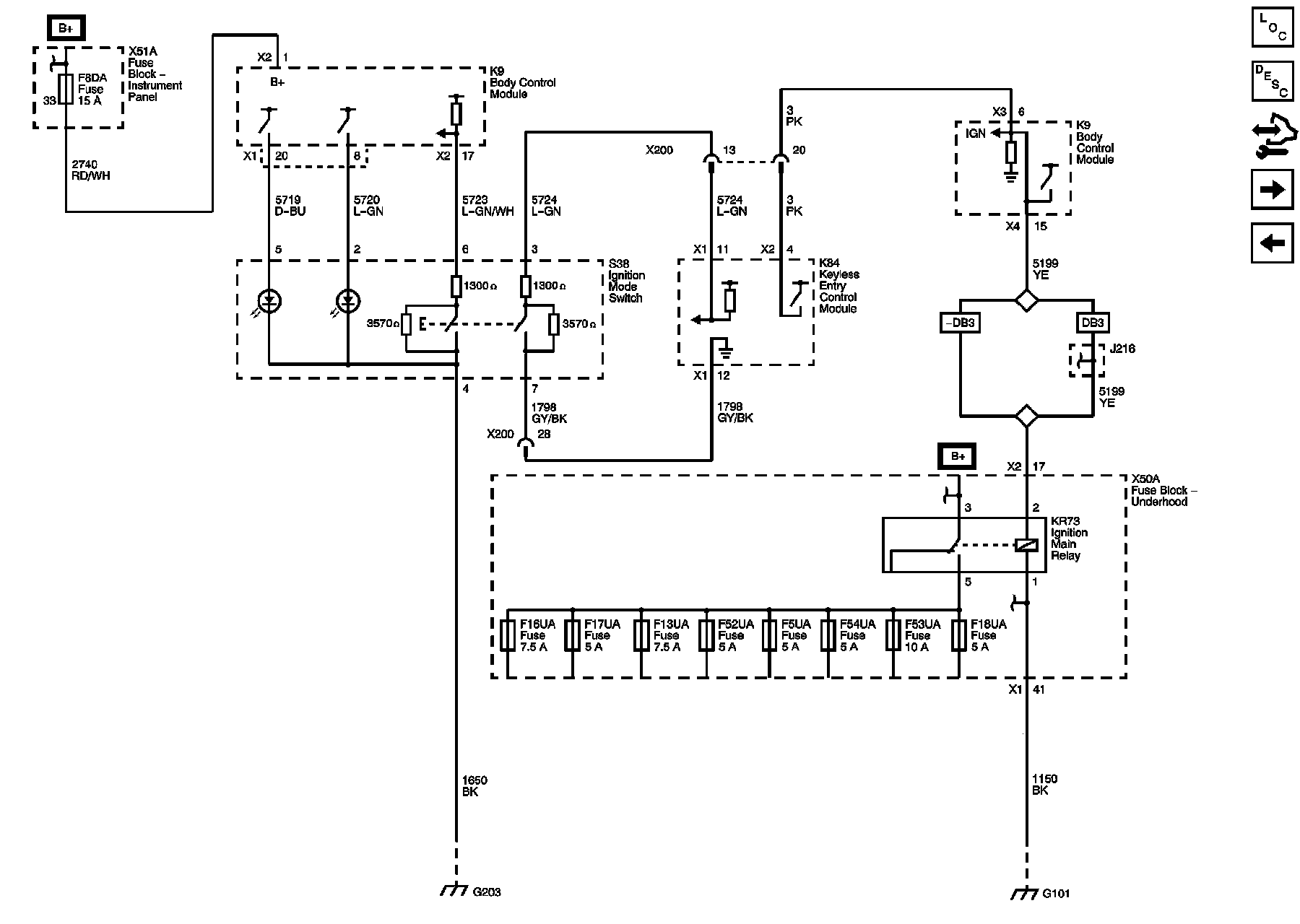
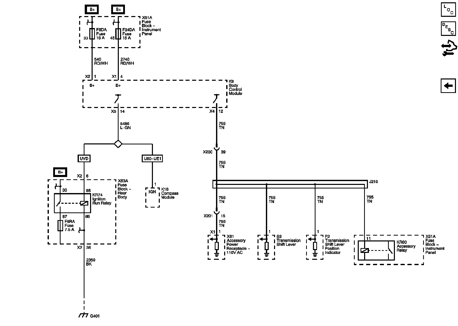
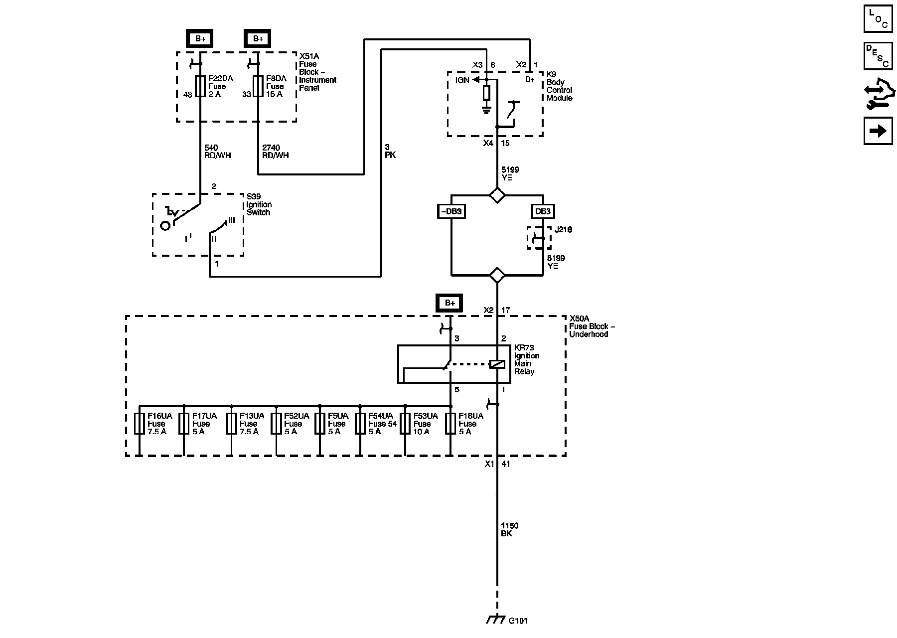
Power Moding Schematics
Power Moding Schematics
Power Moding Schematics
Ignition (without BTM)
Ignition (BTM)
Power Moding