Curiosii for ever!
: Car repair manuals for everyone.
Home
>>
Buick
>>
2010
>>
LaCrosse AWD V6-3.0L
>>
Repair and Diagnosis
>>
Diagrams
>>
Electrical Diagrams
>>
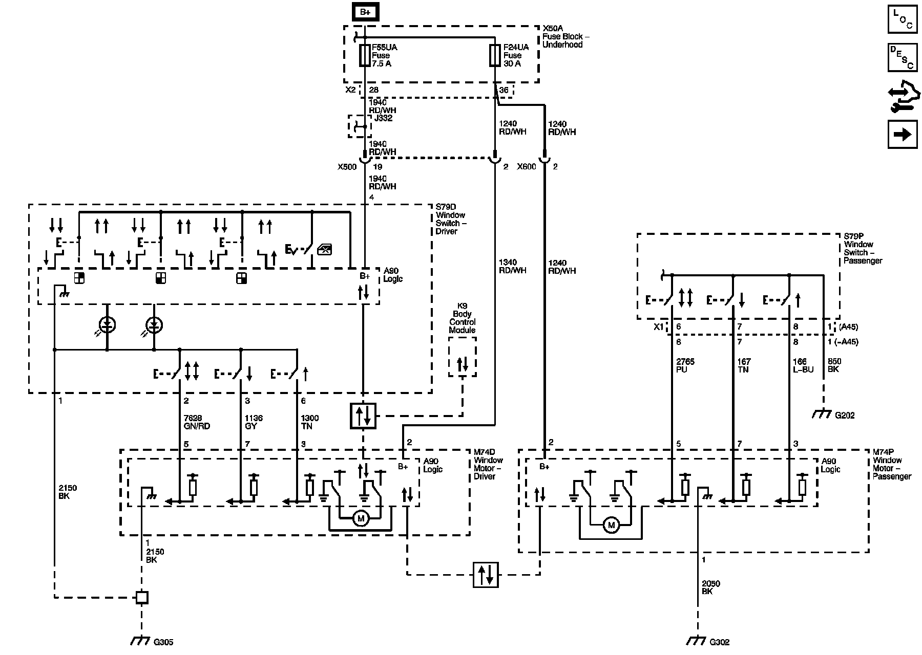
Windows
Windows
Moveable Window Schematics
Front
Rear