Curiosii for ever!: Car repair manuals for everyone.

Intake Manifold: Service and Repair



Intake Manifold Replacement

Removal Procedure




1. Remove the fuel injector sight shield cover. Refer to Fuel Injector Sight Shield Replacement (Service and Repair).
2. Remove the air cleaner outlet duct. Refer to Air Cleaner Outlet Duct Replacement (Service and Repair).
3. Disconnect the front ignition coil module engine harness electrical connector (3).
4. Disconnect the front fuel injectors engine harness electrical connectors (1).




5. Disconnect the rear ignition coil module engine harness electrical connector (4).
6. Disconnect the rear fuel injectors engine harness electrical connectors (3).




7. Disconnect the positive crankcase ventilation (PCV) foul air tube quick connect fitting from the right camshaft cover. Refer to Plastic Collar Quick Connect Fitting Service (Plastic Collar Quick Connect Fitting Service).




8. Disconnect the PCV fresh air tube quick connect fitting from the camshaft cover. Refer to Plastic Collar Quick Connect Fitting Service (Plastic Collar Quick Connect Fitting Service).




9. Disconnect the fuel feed line (1) quick connect fitting at the fuel rail. Refer to Metal Collar Quick Connect Fitting Service (Metal Collar Quick Connect Fitting Service).




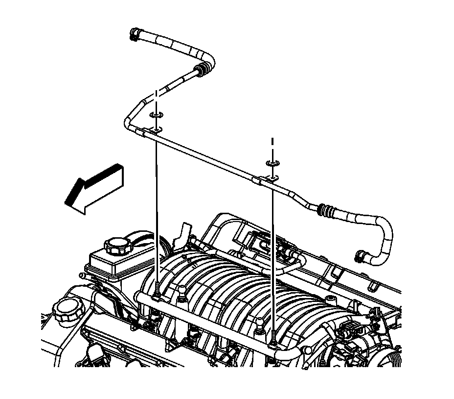
10. Reposition the radiator surge tank inlet hose/pipe clamp at the surge tank.
11. Remove the surge tank inlet hose/pipe from the surge tank.




12. Reposition the radiator surge tank inlet hose/pipe clamp at the engine.
13. Remove the surge tank inlet hose/pipe from the engine fitting.




14. Remove the 2 pushnuts securing the surge tank inlet hose/pipe to the fuel rail studs.
15. Remove the surge tank inlet hose/pipe from the fuel rail studs.
16. Remove the engine harness retainer from the fuel rail stud.




17. Remove the coolant heater cord tabs from the fuel rail studs, if equipped.




18. Remove the fuel rail bracket nut at the rear left lift bracket.
19. Remove the fuel rail studs.
20. Remove the fuel rail.




21. Loosen the plenum duct clamp screw (1) at the water pump housing.




22. Remove intake manifold bolts.
23. Position the power steering aside. Refer to Power Steering Pump Replacement (LD8) (Service and Repair).
24. Remove the intake manifold.
25. Disconnect the PCV foul air tube quick connect fitting at the intake manifold. Refer to Plastic Collar Quick Connect Fitting Service (Plastic Collar Quick Connect Fitting Service).
26. Remove the PCV foul air tube from the retaining features on the intake manifold.
27. Remove and discard the old seals.
28. Clean and inspect the intake manifold. Refer to Intake Manifold Cleaning and Inspection (Overhaul).

Installation Procedure




1. Install the new intake manifold seals.
2. Connect the PCV foul air tube quick connect fitting at the intake manifold. Refer to Plastic Collar Quick Connect Fitting Service (Plastic Collar Quick Connect Fitting Service).
3. Install the PCV foul air tube to the retaining features on the intake manifold.
4. Lightly grease the inside edge of the rubber plenum duct on the water pump housing.
5. Install the intake manifold.
6. Install intake manifold bolts until snug.





Notice: Refer to Fastener Notice (Fastener Notice).

7. Tighten the intake manifold bolts.

Tighten the bolts in the sequence shown to 10 N.m (89 lb in).




8. Ensure that the intake manifold is fully installed into the plenum duct on the water pump housing.
9. Install the power steering pump. Refer to Power Steering Pump Replacement (LD8) (Service and Repair).
10. Tighten the plenum duct clamp screw (1) at the water pump housing.

Tighten the screw to 2.75 N.m (24 lb in).




11. Lubricate the fuel injector lower O-ring seals with clean engine oil.
12. Install the fuel rail.
13. Install the fuel rail studs.

Tighten the studs to 10 N.m (89 lb in).

14. Install the fuel rail bracket nut at the rear left lift bracket.

Tighten the nut to 10 N.m (89 lb in).




15. Install the coolant heater cord tabs to the fuel rail studs, if equipped.




16. Install the engine harness retainer to the fuel rail stud.
17. Install the surge tank inlet hose/pipe to the fuel rail studs.
18. Install the 2 pushnuts securing the surge tank inlet hose/pipe to the fuel rail studs.




19. Install the surge tank inlet hose/pipe to the engine fitting.
20. Position the radiator surge tank inlet hose/pipe clamp at the engine.




21. Install the surge tank inlet hose/pipe to the surge tank.
22. Position the radiator surge tank inlet hose/pipe clamp at the surge tank.




23. Connect the fuel feed line (1) quick connect fitting at the fuel rail. Refer to Metal Collar Quick Connect Fitting Service (Metal Collar Quick Connect Fitting Service).




24. Connect the PCV fresh air tube quick connect fitting to the camshaft cover. Refer to Plastic Collar Quick Connect Fitting Service (Plastic Collar Quick Connect Fitting Service).




25. Connect the PCV foul air tube quick connect fitting to the right camshaft cover. Refer to Plastic Collar Quick Connect Fitting Service (Plastic Collar Quick Connect Fitting Service).




26. Connect the rear fuel injectors engine harness electrical connectors (3).
27. Connect the rear ignition coil module engine harness electrical connector (4).





28. Connect the front fuel injectors engine harness electrical connectors (1).
29. Connect the front ignition coil module engine harness electrical connector (3).
30. Install the air cleaner outlet duct. Refer to Air Cleaner Outlet Duct Replacement (Service and Repair).
31. Install the fuel injector sight shield cover. Refer to Fuel Injector Sight Shield Replacement (Service and Repair).