Curiosii for ever!
: Car repair manuals for everyone.
Home
>>
Buick
>>
2008
>>
Lucerne V8-4.6L
>>
Repair and Diagnosis
>>
Brakes and Traction Control
>>
Antilock Brakes / Traction Control Systems
>>
Braking Sensor/Switch
>>
Service and Repair
>>
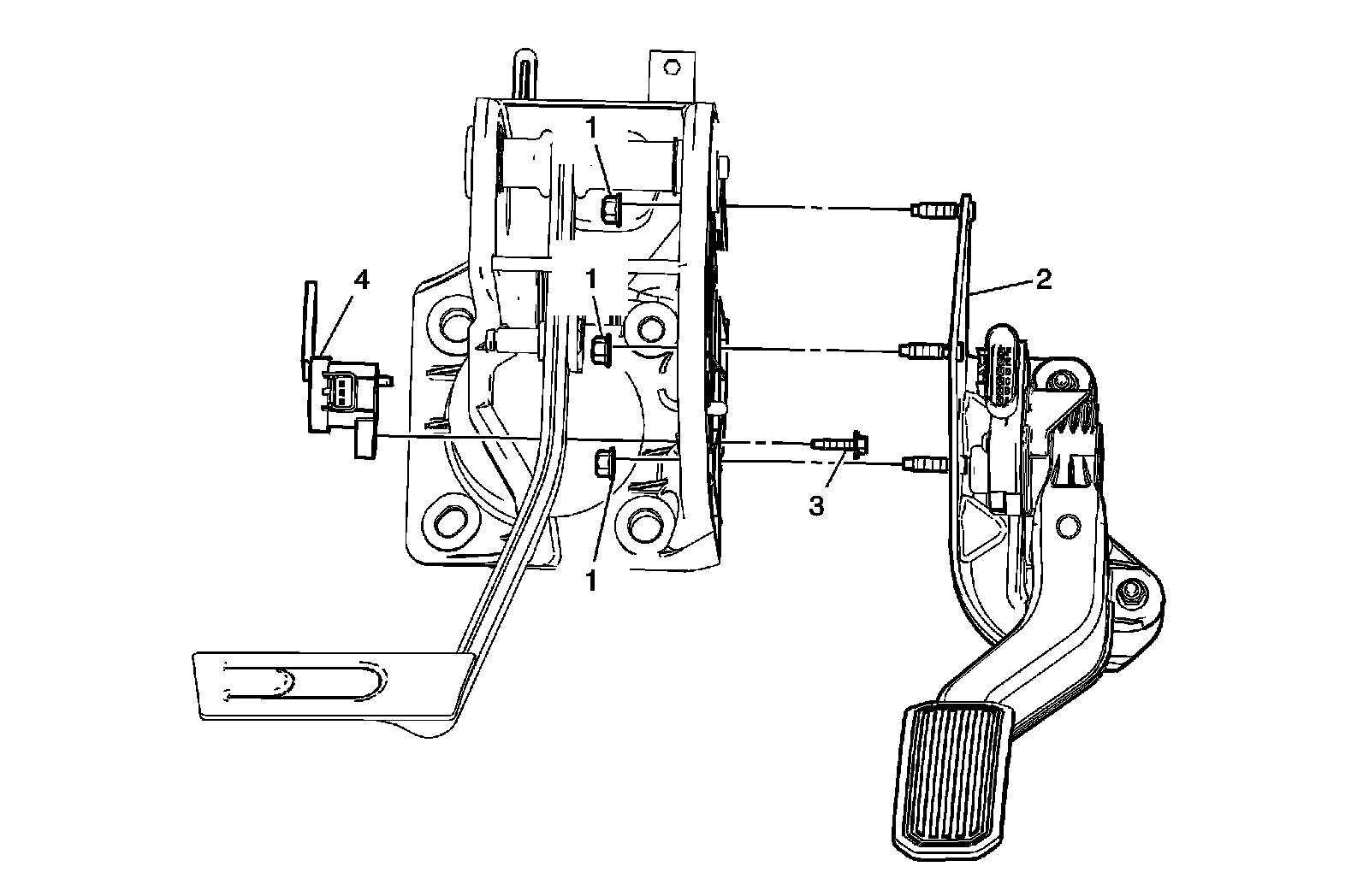
Brake Pedal Position Sensor Replacement
Brake Pedal Position Sensor Replacement
Brake Pedal Position Sensor Replacement