Curiosii for ever!
: Car repair manuals for everyone.
Home
>>
Buick
>>
2007
>>
Allure (CANADA) V6-3.8L
>>
Repair and Diagnosis
>>
Powertrain Management
>>
Computers and Control Systems
>>
Information Bus
>>
Diagrams
>>
Electrical Diagrams
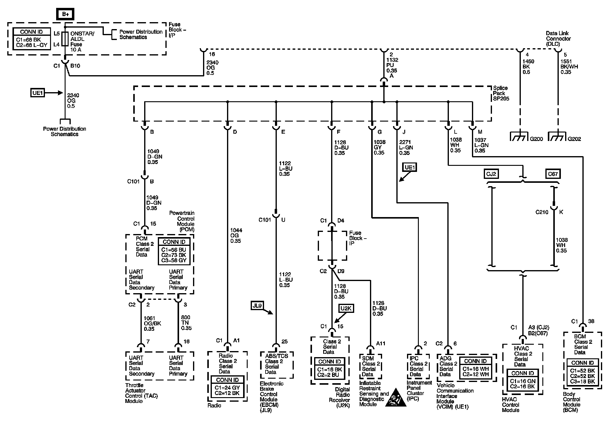
Electrical Diagrams
Data Communication Schematics
Locations:
The locations for the Connectors, Grounds, Splices, and Grommets shown within these diagrams can be found via their numbers at Vehicle Locations.
Locations