Curiosii for ever!: Car repair manuals for everyone.

Electrical Diagrams



ENGINE CONTROLS SCHEMATICS

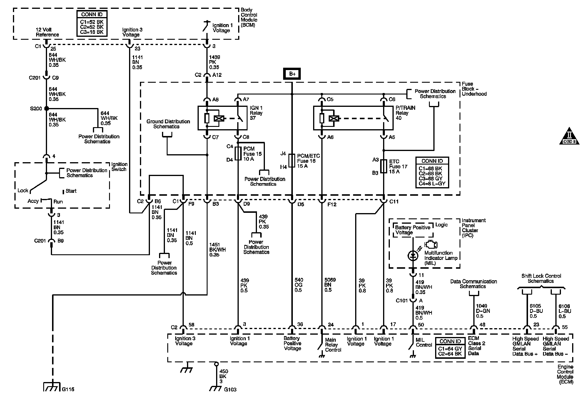
Module Power, Ground, Serial Data, and MIL







5-Volt and Low Reference










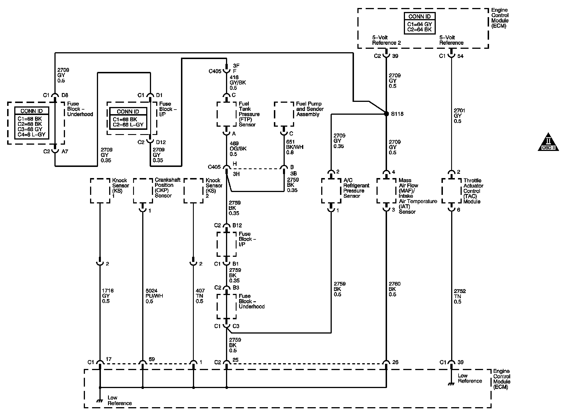
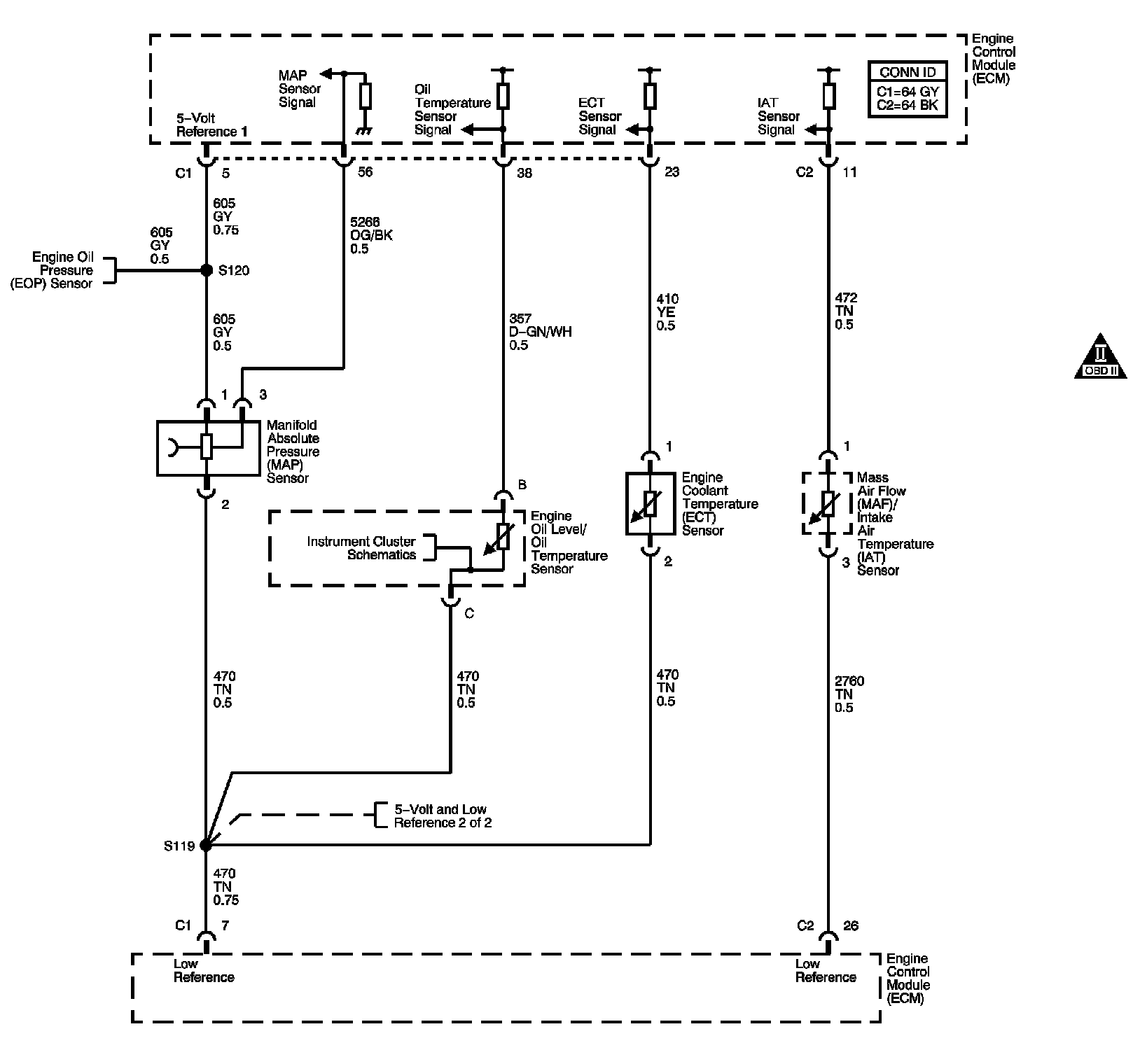
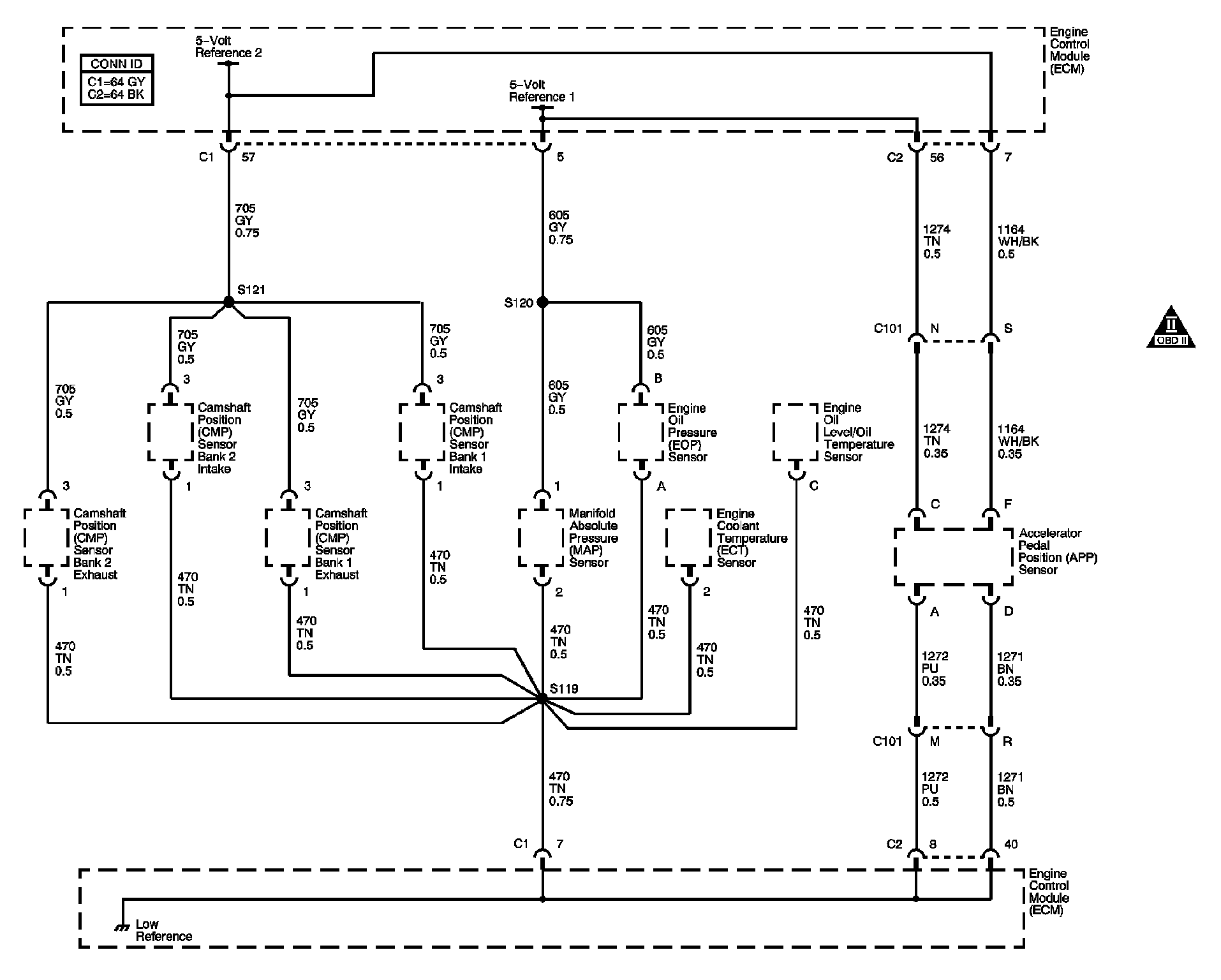
Pressure and Temperature Sensors







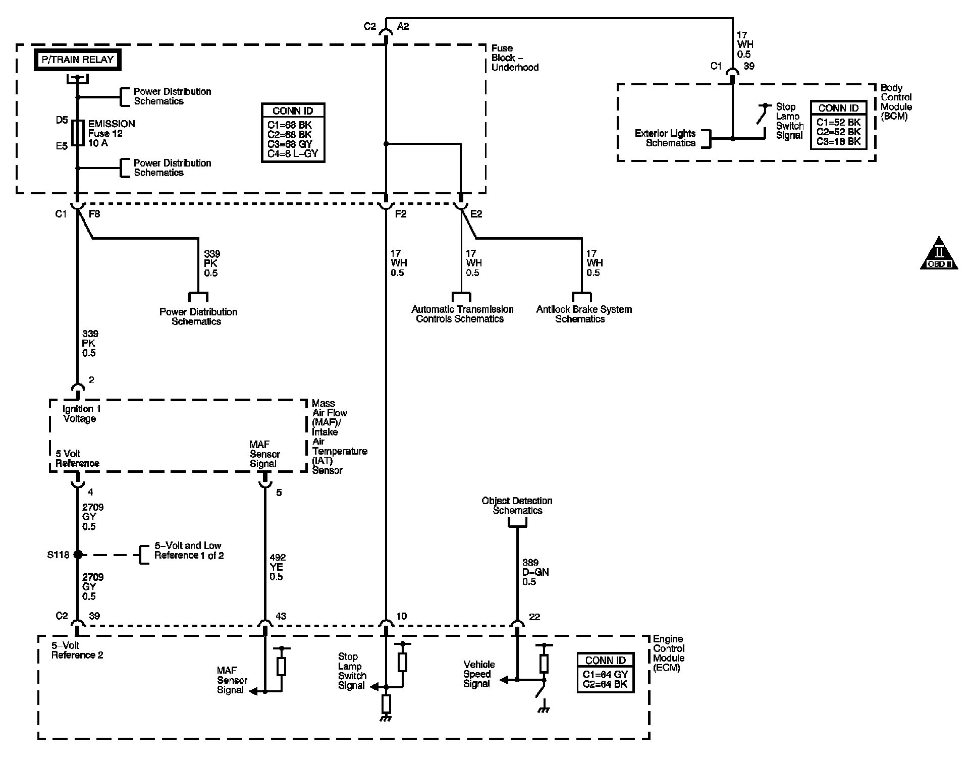
MAF, VSS and Stop Lamp Switch







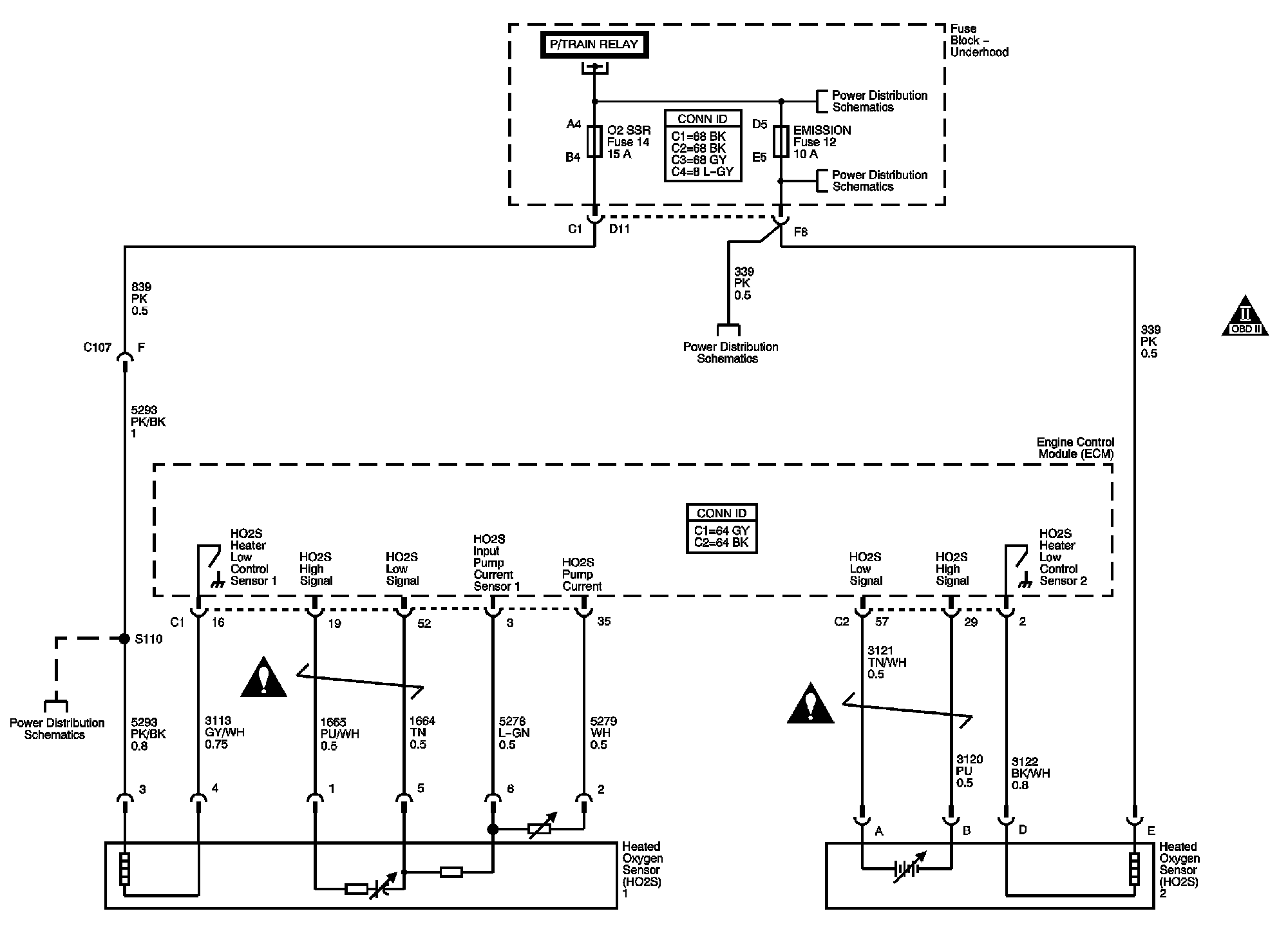
Oxygen Sensors







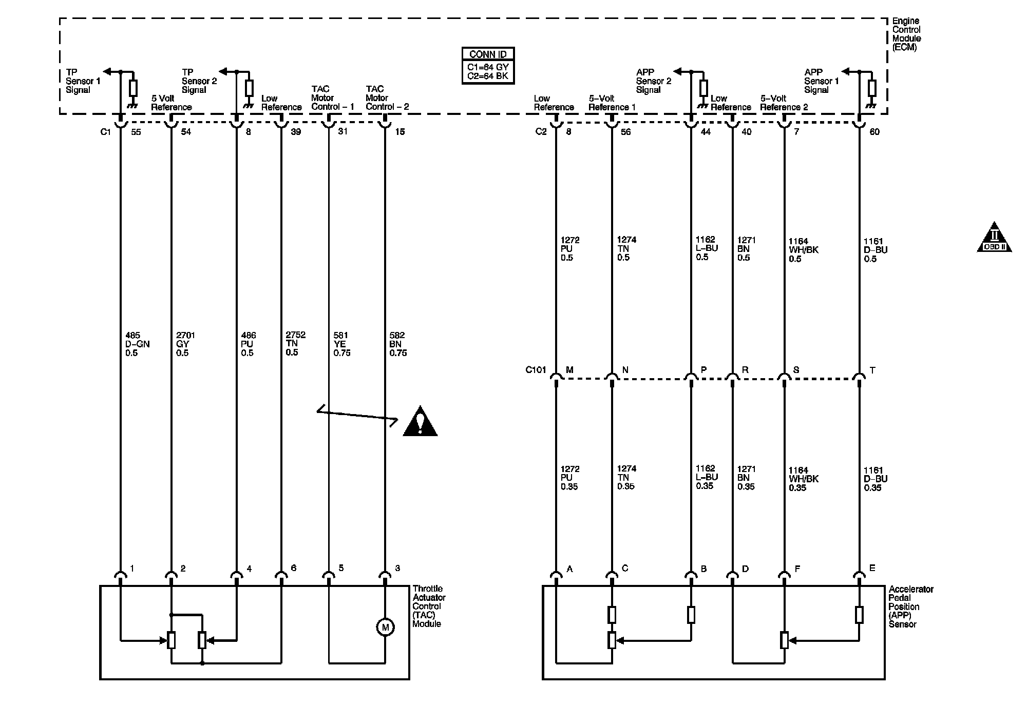
Electronic Throttle Controls







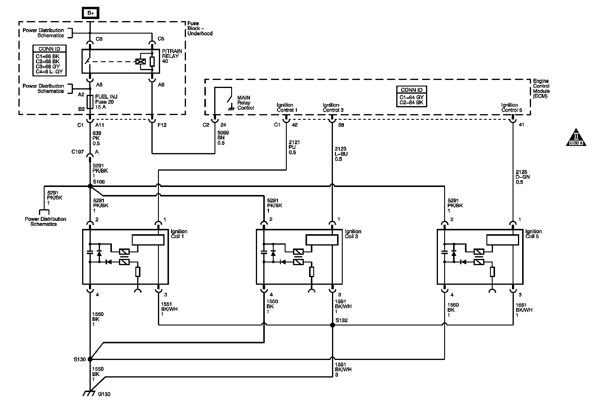
Ignition Controls - Bank 1 (Odd) Ignition Coils







Ignition Controls - Bank 2 (Even) Ignition Coils







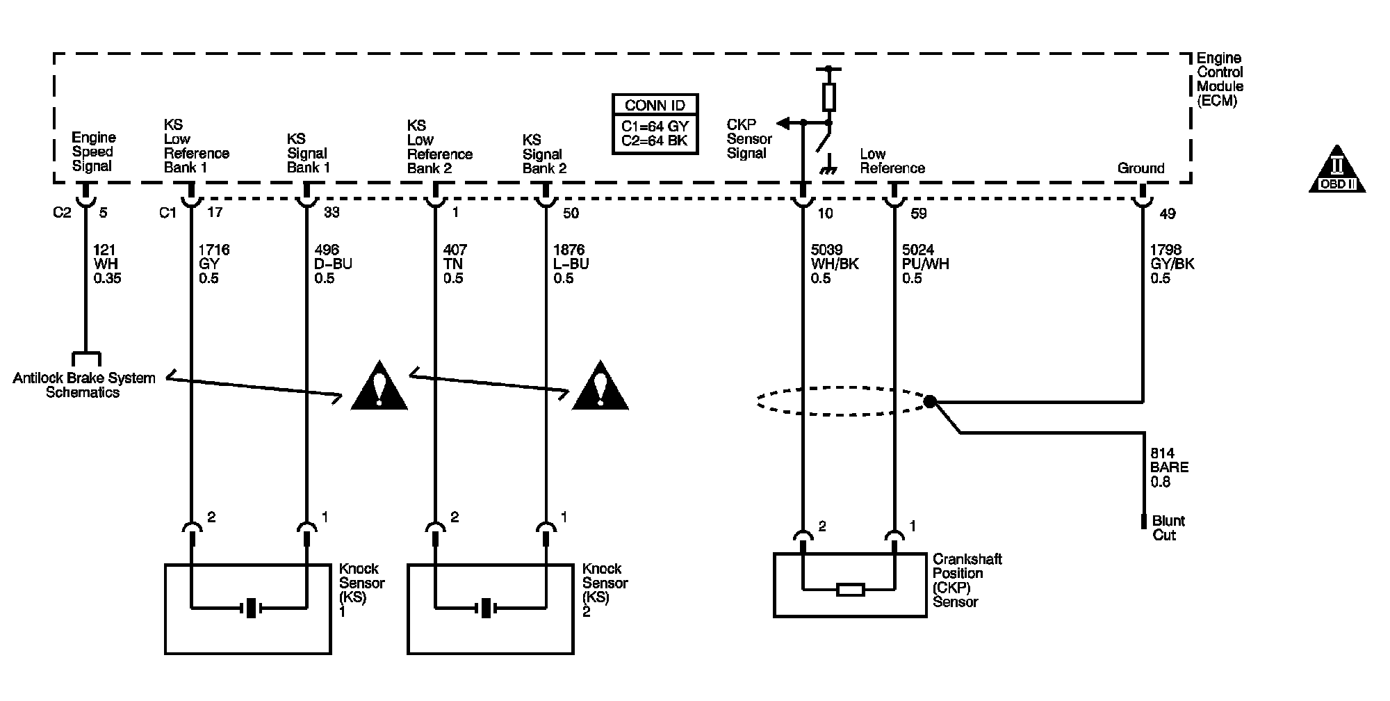
Ignition Controls - Knock and CKP Sensors and Engine Speed







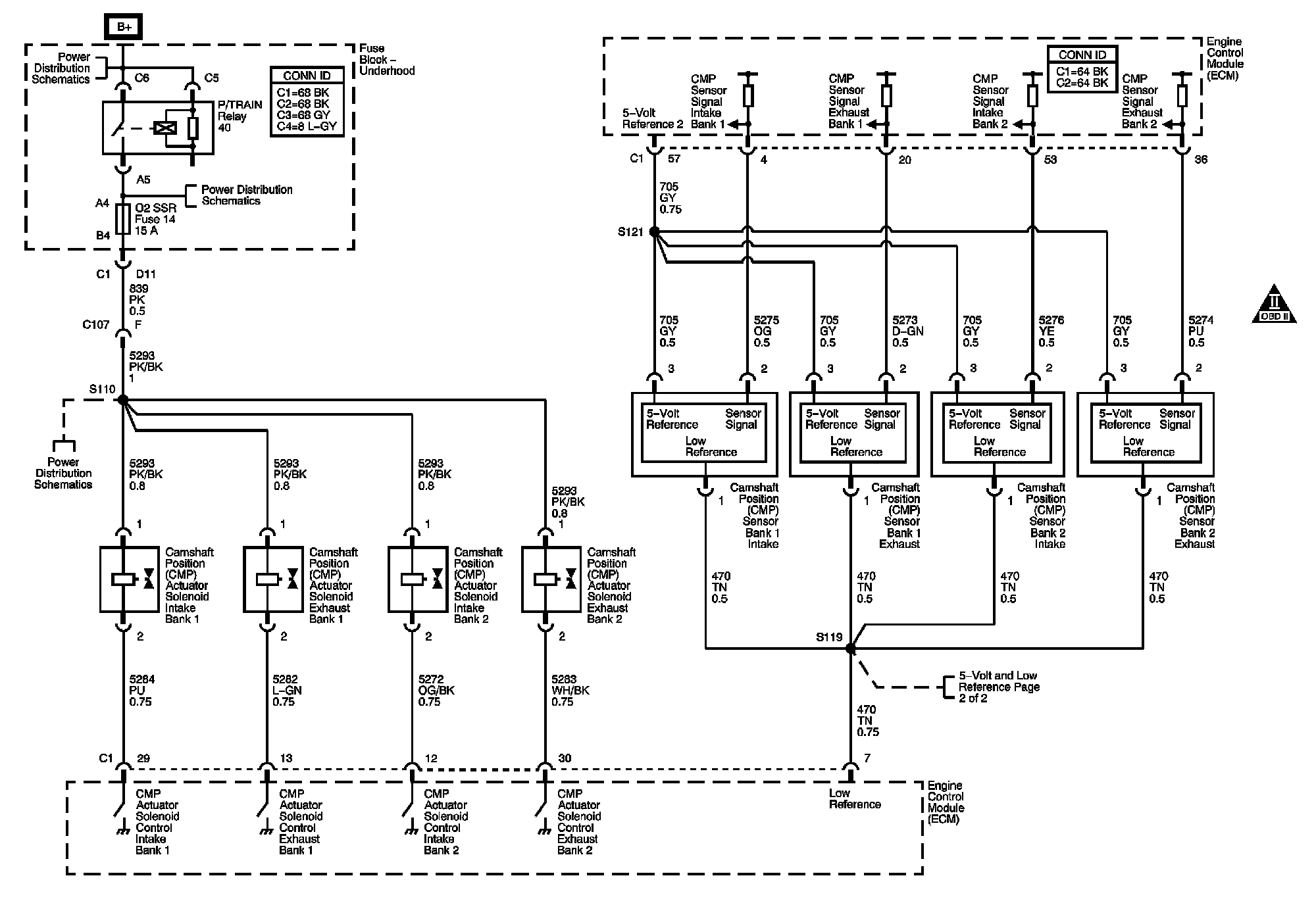
Ignition Controls - CMP Sensors and Solenoids







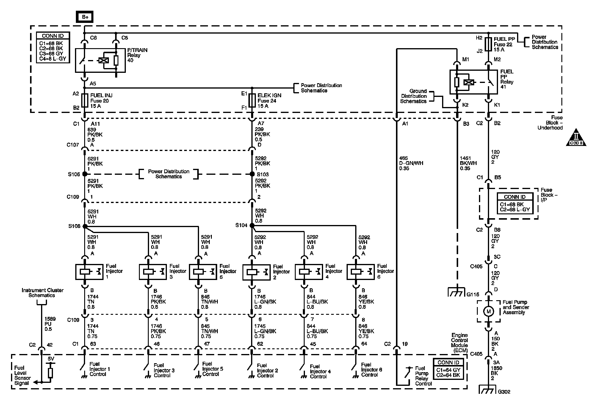
Fuel Controls - Fuel Pump and Injectors







EVAP Controls







Module References







Locations: The locations for the Connectors, Grounds, Splices, and Grommets shown within these diagrams can be found via their numbers at Vehicle Locations. Locations