Curiosii for ever!
: Car repair manuals for everyone.
Home
>>
Buick
>>
2006
>>
Lucerne V8-4.6L VIN Y
>>
Repair and Diagnosis
>>
Body and Frame
>>
Seats
>>
Seat Temperature Control Module
>>
Locations
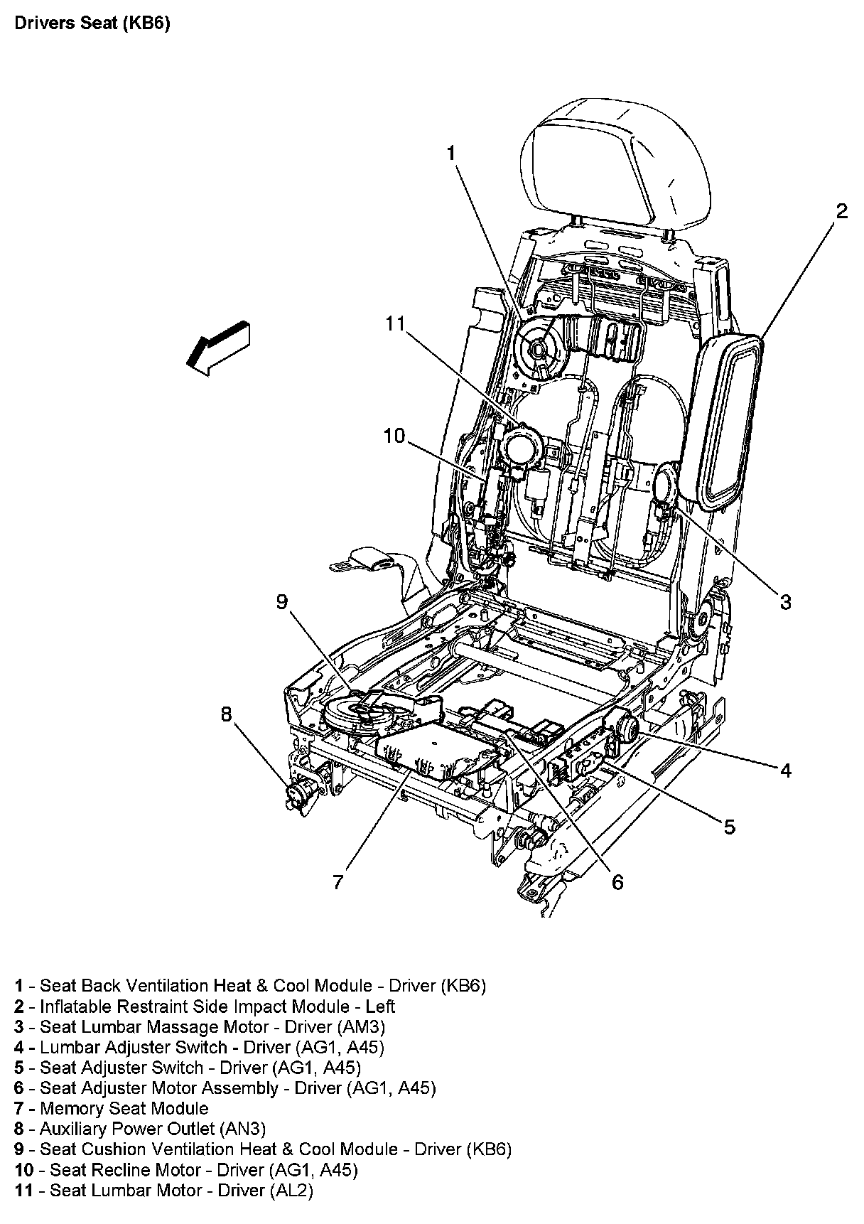
Seat Temperature Control Module: Locations
Drivers Seat (With RPO Code KB6):