Curiosii for ever!
: Car repair manuals for everyone.
Home
>>
Buick
>>
2006
>>
Lucerne V6-3.8L VIN 2
>>
Repair and Diagnosis
>>
Wiper and Washer Systems
>>
Washer Fluid Level Switch
>>
Service and Repair
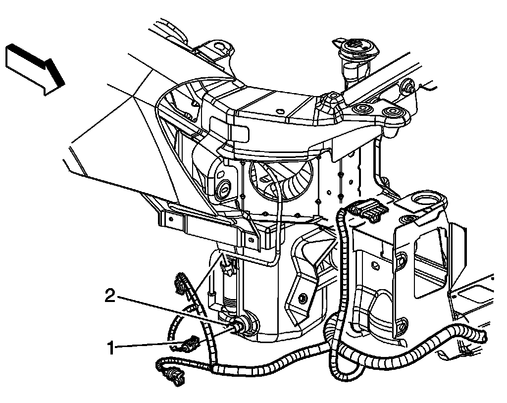
Washer Fluid Level Switch: Service and Repair
WASHER SOLVENT CONTAINER LEVEL SENSOR REPLACEMENT