Curiosii for ever!: Car repair manuals for everyone.

Spark Plug: Service and Repair



SPARK PLUG REPLACEMENT

TOOLS REQUIRED
J 38491 Spark Plug Boot Removal Tool

REMOVAL PROCEDURE
1. Remove the intake manifold cover, if necessary.
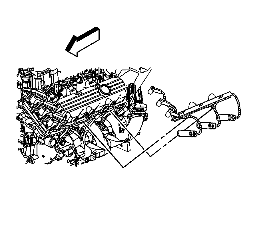
2. Remove the spark plug wires from the spark plugs at the front of the engine using the following steps, if necessary:
1. Note the position of the spark plug wires before removing the wires.
2. Twist the spark plug boot 1/2 turn before removing the boot.
3. Gently pry the heat shield up from spark plugs using the J 38491.
4. Remove the spark plug wires form the spark plugs at the front of the engine.
3. Remove the spark plug wires from the spark plugs at the rear of the engine using the following steps, if necessary:
1. Note the position of the spark plug wires before removing the wires.
2. Twist the spark plug boot 1/2 turn before removing the boot.
3. Gently pry the heat shield up from spark plugs using the J 38491.
4. Remove the spark plug wire from the spark plugs at rear of the engine.




4. Remove the spark plugs (1) from the engine. (front plugs shown, rear plugs similar).

INSTALLATION PROCEDURE




1. Measure the spark plug gap on the spark plugs to be installed. Compare the measurement to the gap specifications.
2. Install the spark plugs (1) to the engine. (front spark plugs shown, rear spark plugs similar).

NOTE: Refer to Fastener Notice.

Tighten the spark plugs to 15 N.m (11 lb ft).

3. Install the spark plug wires to the spark plugs at the rear of the engine, if necessary.




4. Install the spark plug wires to the spark plugs at the front of the engine, if necessary.
5. Install the intake manifold cover, if necessary.