Curiosii for ever!: Car repair manuals for everyone.

Electrical Diagrams



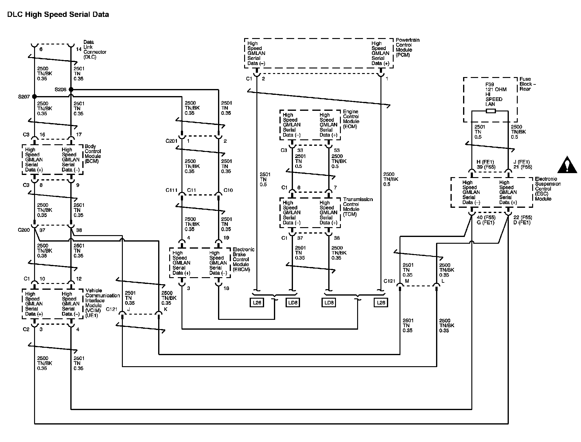
Data Link Connector (DLC) Diagram 1:




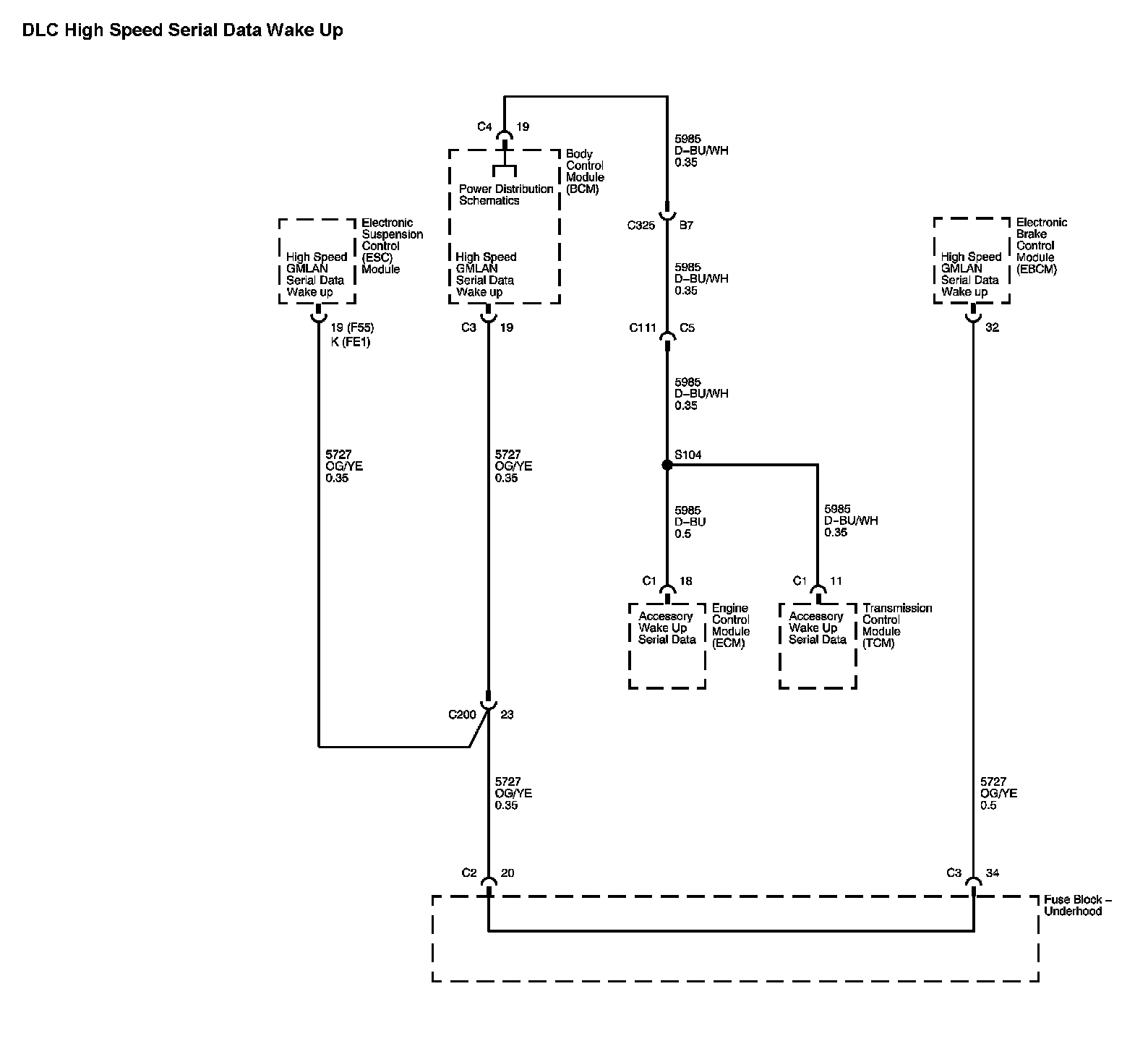
Data Link Connector (DLC) Diagram 2:




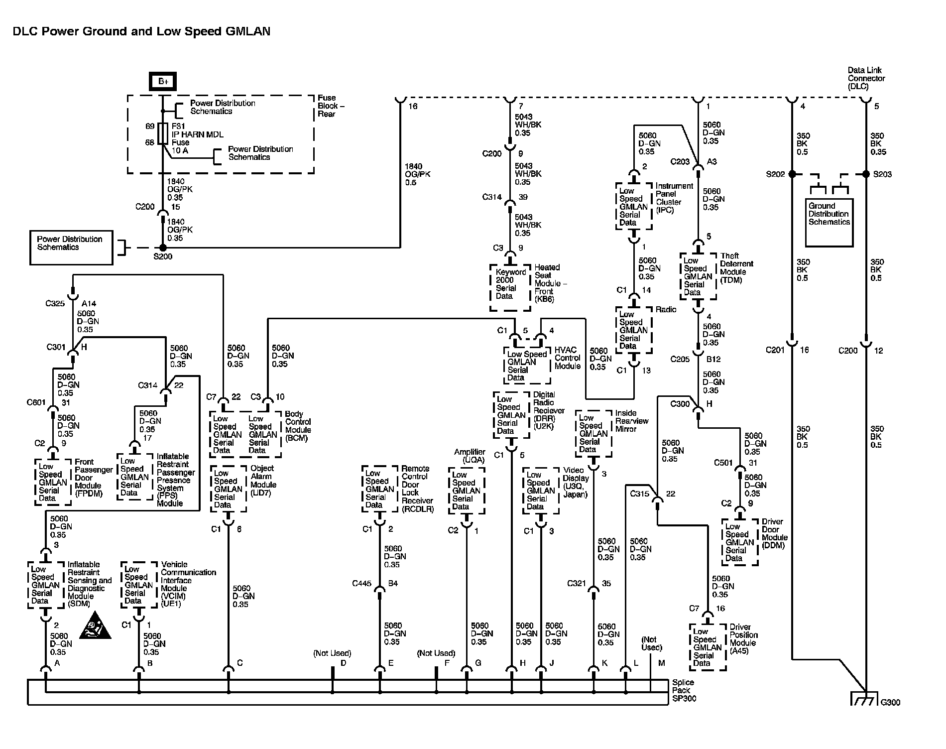
Data Link Connector (DLC) Diagram 3:






Locations: The locations for the Connectors, Grounds, Splices, and Grommets shown within these diagrams can be found via their numbers at Vehicle Locations. Locations