Curiosii for ever!
: Car repair manuals for everyone.
Home
>>
Buick
>>
2006
>>
Lucerne V6-3.8L VIN 2
>>
Repair and Diagnosis
>>
Heating and Air Conditioning
>>
Control Module HVAC
>>
Locations
>>
HVAC System - Manual
HVAC System - Manual
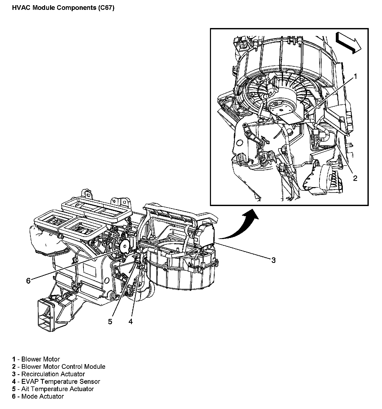
HVAC Module Components (With RPO Code C67):