Curiosii for ever!
: Car repair manuals for everyone.
Home
>>
Buick
>>
2006
>>
LaCrosse V6-3.8L VIN 2
>>
Repair and Diagnosis
>>
Powertrain Management
>>
Computers and Control Systems
>>
Data Link Connector
>>
Diagrams
>>
Electrical Diagrams
Electrical Diagrams
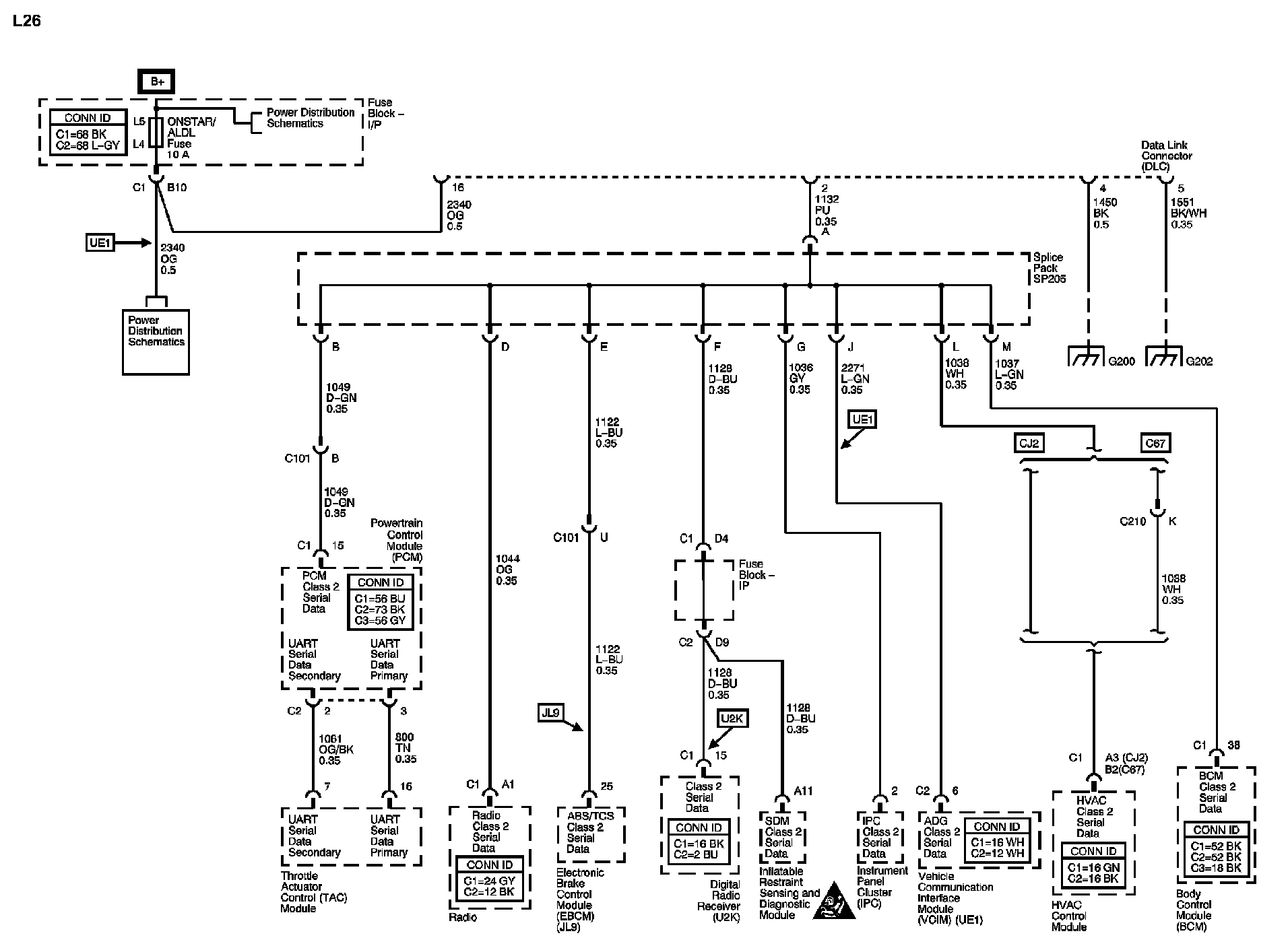
Data Link Connector (DLC) Diagram:
Locations:
The locations for the Connectors, Grounds, Splices, and Grommets shown within these diagrams can be found via their numbers at Vehicle Locations.
Locations