Curiosii for ever!
: Car repair manuals for everyone.
Home
>>
Buick
>>
2006
>>
LaCrosse V6-3.6L VIN 7
>>
Repair and Diagnosis
>>
Powertrain Management
>>
Locations
>>
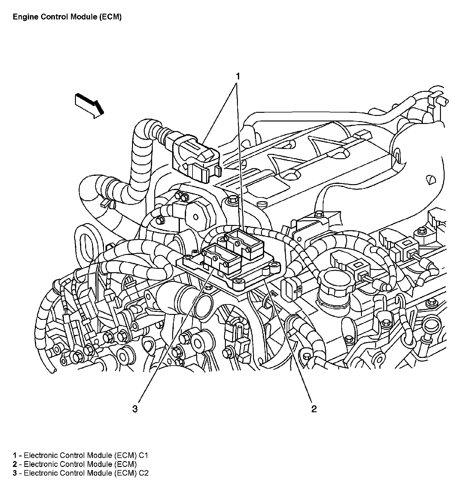
Engine Control Module (ECM)
Engine Control Module (ECM)
Engine Control Module (ECM):