Curiosii for ever!
: Car repair manuals for everyone.
Home
>>
Buick
>>
2005
>>
LeSabre V6-3.8L VIN K
>>
Repair and Diagnosis
>>
Diagrams
>>
Harness
>>
Door Views
>>
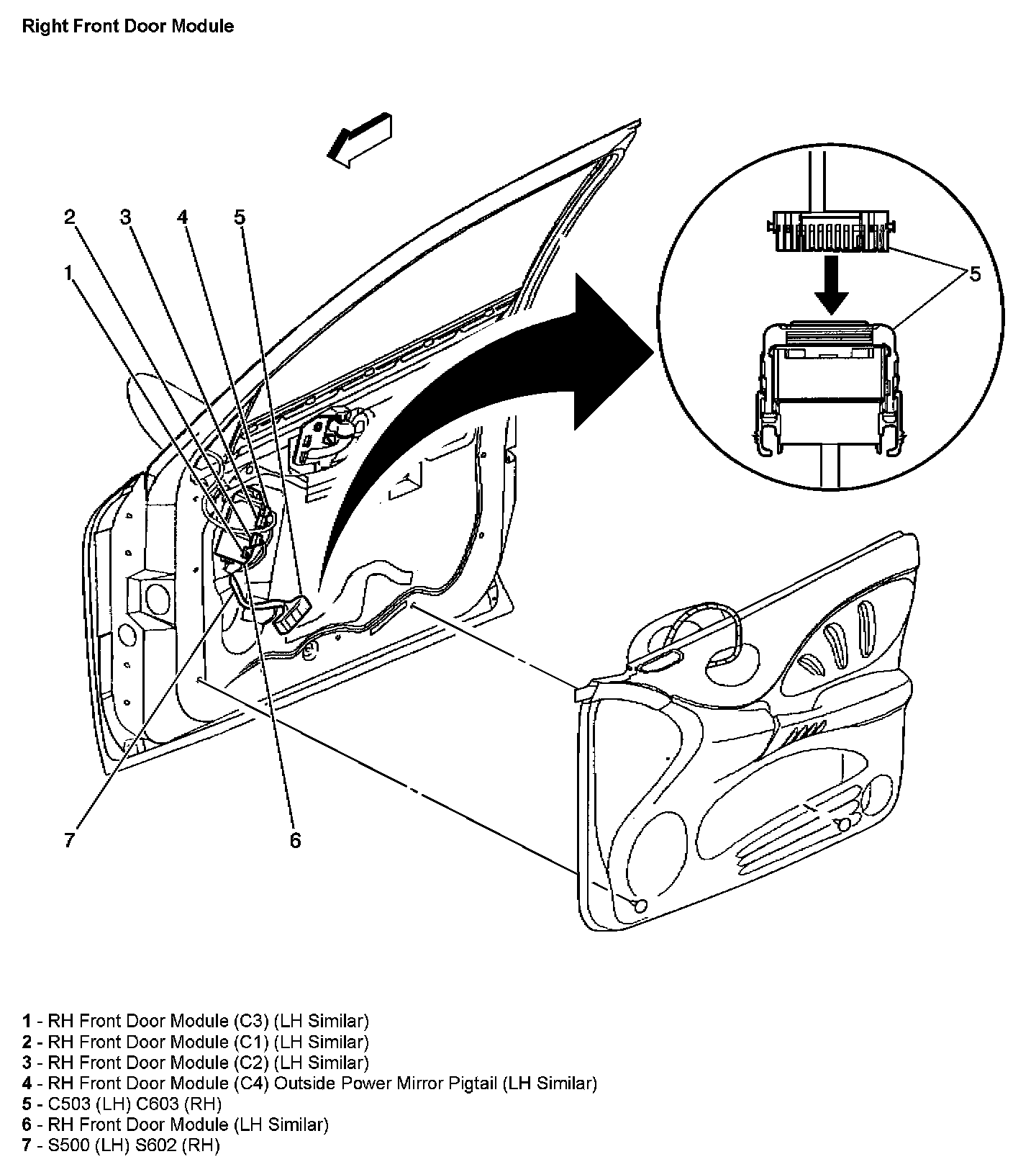
Right Front Door Module
Right Front Door Module
Right Front Door Module: