Curiosii for ever!
: Car repair manuals for everyone.
Home
>>
Buick
>>
2005
>>
Century V6-3.1L VIN J
>>
Repair and Diagnosis
>>
Power and Ground Distribution
>>
Locations
>>
Junction Block Views
Junction Block Views
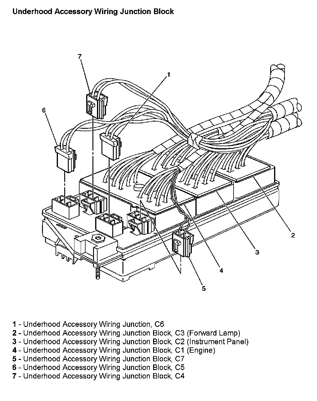
Underhood Accessory Wiring Junction Block: