Curiosii for ever!: Car repair manuals for everyone.

Oxygen Sensor: Locations








1. Idle Air Control (IAC) Valve
2. Mass Air Flow (MAF) Sensor
3. Intake Air Temperature (IAT) Sensor
4. Throttle Position (TP) Sensor
5. Exhaust Gas Recirculation (EGR) Valve
6. Heated Oxygen Sensor (HO2S) 1 Connector
7. Manifold Absolute Pressure (MAP) Sensor Connector






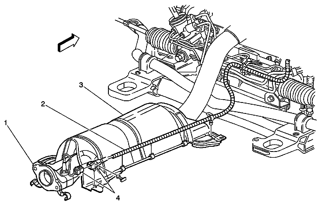
1. Catalytic Converter
2. Engine Wiring Harness
3. Heat Exhaust Shield
4. Heated Oxygen Sensor (HO2S) 2







1. Generator BAT Terminal
2. Generator
3. Generator Connector
4. Heated Oxygen Sensor (HO2S) 1
5. Fuel Injector 2
6. Fuel Injector 4
7. Fuel Injector 6
8. Engine Wiring Harness