Curiosii for ever!: Car repair manuals for everyone.

Compressor Replacement

COMPRESSOR REPLACEMENT

TOOLS REQUIRED
J 39400-A Halogen Leak Detector

REMOVAL PROCEDURE
1. Recover the refrigerant.
2. Remove the accessory drive belt.
3. Raise and support the vehicle. Refer to Vehicle Lifting.
4. Remove the right front wheelhouse liner.
5. Remove the lower air deflector.




6. Remove the wiring harness bracket bolt.
7. Disconnect the electrical connector from the compressor.
8. Disconnect the electrical connector from the A/C pressure sensor.
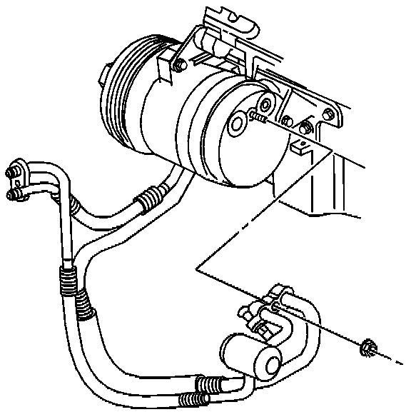
9. Remove the A/C compressor hose bolt.




10. Remove the A/C compressor hose from the compressor.




11. Remove the front compressor mounting nuts.
12. Remove the bolt from the rear of the compressor.
13. Remove the compressor.
14. If replacing the compressor, balance the oil.

INSTALLATION PROCEDURE




1. Install the compressor.
2. Install the mounting nuts.

NOTE: Refer to Fastener Notice in Service Precautions.


Tighten
Tighten the nuts to 50 N.m (37 lb ft).

3. Install the rear bolt to the compressor.

Tighten
Tighten the bolt to 50 N.m (37 lb ft).

4. Install the A/C compressor hose to the compressor.




5. Install the hose mounting nut.

Tighten
Tighten the nut to 30 N.m (22 lb ft).

6. Install the wiring harness bracket and bolt.

Tighten
Tighten the bolt to 12 N.m (106 lb in).




7. Connect the electrical connections to the compressor.
8. Connect the electrical connection to the A/C pressure sensor.
9. Lower the vehicle.
10. Install the accessory drive belt.
11. Recharge the A/C system.
12. Leak test the component fittings using the J 39400-A.
13. Install the lower air deflector.
14. Install the wheelhouse liner.