Curiosii for ever!: Car repair manuals for everyone.

Knock Sensor (KS) 2 Replacement

KNOCK SENSOR (KS) 2 REPLACEMENT

REMOVAL PROCEDURE




1. Turn OFF the ignition switch.

CAUTION: Refer to Vehicle Lifting Caution in Service Precautions.

2. Raise the vehicle. Refer to Vehicle Lifting.
3. Remove the bolts from the splash shield.

CAUTION: Hot engine coolant may cause severe burns. Although the cooling system has been drained, coolant still remains in the engine water jacket. This coolant will drain with the removal of the knock sensor.

4. Drain the cooling system. Refer to Draining and Filling Cooling System in Cooling System. Service and Repair
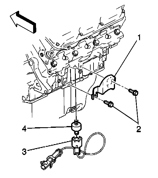
5. Remove the bolts (2) from the knock sensor heat shield (1) located under the freeze plug, or the block heater if equipped.
6. Disconnect the electrical connector (3) from the knock sensor (4).




7. Remove the knock sensor (2) from the engine block (1).

INSTALLATION PROCEDURE

NOTE: Refer to Fastener Notice in Service Precautions.

IMPORTANT: DO NOT apply thread sealant to sensor threads. The sensor is coated at the factory and applying additional sealant will affect the sensor's ability to detect detonation.




1. Install the knock sensor (2) into the engine block (1).

Tighten
Tighten the knock sensor to 19 N.m (14 lb ft).

2. Install the knock sensor heat shield

Tighten
Tighten the bolts to 60 N.m (44 lb ft).

3. Connect the electrical connector to the knock sensor.
4. Install the splash shield.
5. Lower the vehicle.
6. Fill the cooling system. Refer to Draining and Filling Cooling System in Cooling System. Service and Repair
7. Check the coolant level.