Curiosii for ever!: Car repair manuals for everyone.

Electronic Brake Control Module: Service and Repair














Electronic Brake Control Module (EBCM) Replacement

Removal Procedure
1. Turn OFF the ignition.
2. Raise the vehicle. Refer to Lifting and Jacking the Vehicle in General Information.
3. Remove the left front wheel. Refer to Tire and Wheel Removal and Installation in Tires and Wheels.
4. Remove the left front fascia extension. Refer to Fascia Extension Replacement - Front in Bumpers.

Important: The area around the electronic brake control module (EBCM) must be free from loose dint to prevent contamination of disassembled ABS components.

5. Thoroughly wash all contaminants from around the EBCM.
6. Rotate the EBCM connector tab up to the unlocked position.
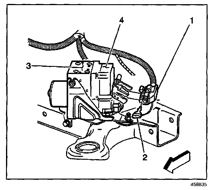
7. Remove the EBCM connector position assurance (2) from the EBCM electrical connector (1).

Notice: To prevent equipment damage, never connect or disconnect the wiring harness connection from the EBCM with the ignition switch in the ON position.

8. Remove the EBCM electrical connector (1) from the EBCM (4).
9. Remove the brake pressure modulator valve (BPMV) electrical connector (2) from the EBCM (3).
10. Remove the 6 EBCM to BPMV screws (2).
11. Clean the surface of the EBCM/BPMV assembly.

Important: The EBCM cannot be repaired. If faulty, the unit must be replaced.

12. Separate the EBCM (2) from the BPMV (1).

Installation Procedure
1. Clean the surface of the BPMV.
2. Install the EBCM (2) to the BPMV (1).

Notice: Refer to Fastener Notice in Cautions and Notices.

3. Install the 6 EBCM to BPMV screws (2).
Tighten
Tighten the 6 screws to 3.2 N.m (28 lb in).
4. Install the BPMV electrical connector (2) to the EBCM (3).

Notice: To prevent equipment damage, never connect or disconnect the wiring harness connection from the EBCM with the ignition switch in the ON position.

5. Install the EBCM electrical connector (1) to the EBCM (4).
6. Install the connector position assurance (2) to the EBCM electrical connector (1).
7. Rotate the EBCM connector tab (2) down to the locked position.
8. Install the left front fascia extension. Refer to Fascia Extension Replacement - Front in Bumpers.
9. Install the eft front wheel. Refer to Tire and Wheel Removal and Installation in Tires and Wheels.
10. Lower the vehicle. Refer to Lifting and Jacking the Vehicle in General Information.

Important: An unprogrammed EBCM will result in the following conditions:
^ Inoperative or poorly functioning DRP/ABS/TIM/VSES/TIM/VES (if equipped)
^ Set DTC C1248 EBCM Turned On the Red Brake Warning Indicator
^ Set DTC C1255m3 EBCM Internal Malfunction

11. If a replacement EBCM is being installed, it must be programmed using the latest software matching the vehicle. Refer to the Techline Terminal/Equipment user's instructions.
12. Use the scan tool in order to clear DTCs.
13. Perform the ABS Diagnostic System Check. Refer to Diagnostic System Check - ABS.