Curiosii for ever!: Car repair manuals for everyone.

Air Bag Control Module: Service and Repair

INFLATABLE RESTRAINT SENSING AND DIAGNOSTIC MODULE REPLACEMENT

REMOVAL PROCEDURE

CAUTION:
- Do not strike or jolt the inflatable restraint sensing and diagnostic module (SDM). Before applying power to the SDM, make sure that it is securely fastened with the arrow facing toward the front of the vehicle. Failure to observe the correct installation procedure could cause SIR deployment, personal injury, or unnecessary SIR system repairs.
- If the vehicle interior is exposed to moisture and becomes soaked up to the level of the sensing and diagnostic module (SDM), the SDM and SDM harness connector must be replaced. The SDM could be activated when powered, which could cause airbag deployment and result in personal injury.
- Refer to SIR Caution in Service Precautions.





1. Disable the SIR system. Refer to SIR Disabling and Enabling Zone 9.
2. Remove the passenger front seat.
3. Remove the right side front and rear carpet retainers.
4. Remove the center pillar, lower trim panel.
5. Remove the right insulator panel.
6. Reposition the front and rear door weatherstrips as required.
7. Lift up the carpet to access the inflatable restraint sensing and diagnostic module (SDM).
8. Remove the connector position assurance (CPA) from the connector to the SDM.




9. Disconnect the connector from the SDM.




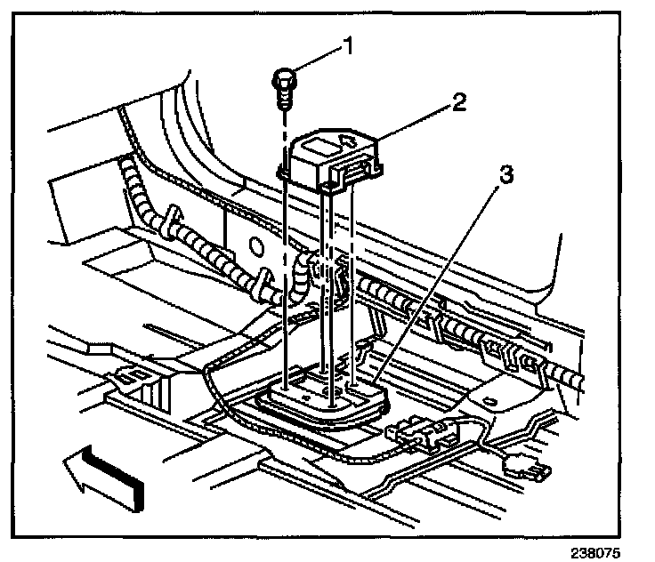
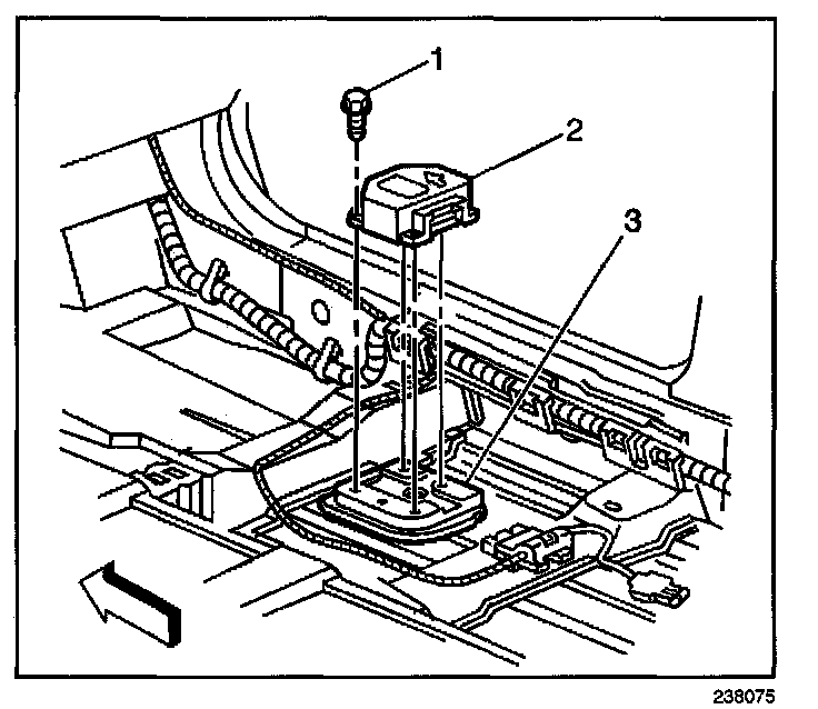
10. Remove the SDM mounting fasteners (1).
11. Remove the SDM (2) from the floor pan (3).

INSTALLATION PROCEDURE




1. Remove any dirt, grease, or other impurities from the mounting surface.
2. Install the SDM (2) horizontally to the vehicle (3).
3. Point the arrow on the SDM toward the front of the vehicle.

NOTE: Refer to Fastener Notice in Service Precautions.

4. Install the SDM mounting fasteners (1).

Tighten
Tighten the fasteners to 10 N.m (89 lb in).




5. Connect the connector to the SDM.




6. Install the CPA to the SDM connector.
7. Position the carpet to cover the SDM.
8. Reposition the front and rear door weatherstrips as required.
9. Install the right side front and rear carpet retainers.
10. Install the center pillar, lower trim panel.
11. Install the right insulator panel.
12. Install the passenger front seat.
13. Enable the SIR system. Refer to SIR Disabling and Enabling Zone 9.
14. If you replaced the SDM, perform the following procedure in order to update the BCM with the new SDM pan number:

IMPORTANT: The AIR BAG indicator may remain ON after the SDM is replaced. After programming the SDM part number into the BCM, cycle the ignition switch OFF and ON. This turns OFF the AIR BAG indicator and clears the DTC.

14.1. Install a scan tool.
14.2. Select the Special Functions option from the BCM Menu and press enter.
14.3. Select the BCM Reprogramming in BCM option and press enter.
14.4. Follow the procedure on the scan tool display.
14.5. Cycle the ignition switch OFF and ON.