Curiosii for ever!
: Car repair manuals for everyone.
Home
>>
Buick
>>
2004
>>
Century V6-3.1L VIN J
>>
Repair and Diagnosis
>>
Powertrain Management
>>
Transmission Control Systems
>>
Diagrams
>>
Electrical Diagrams
>>
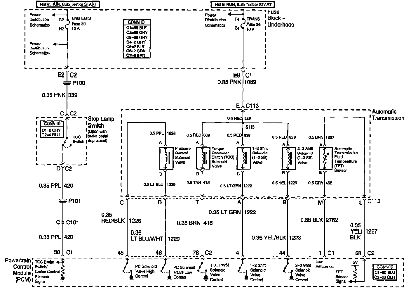
Solenoid Control & TFT Sensor
Solenoid Control & TFT Sensor