Curiosii for ever!: Car repair manuals for everyone.

Manifold Pressure/Vacuum Sensor: Service and Repair

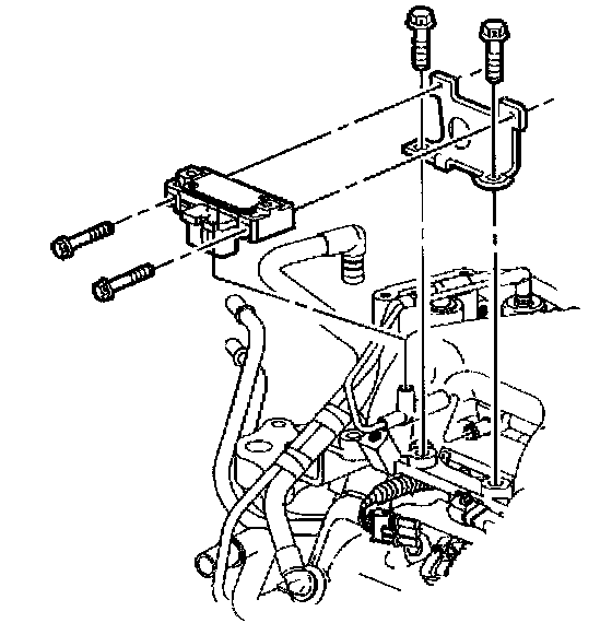
MANIFOLD ABSOLUTE PRESSURE (MAP) SENSOR REPLACEMENT

REMOVAL PROCEDURE




1. Remove the manifold absolute pressure (MAP) sensor screws.
2. Disconnect the MAP sensor electrical connector.
3. Remove the inlet vacuum hose from the map sensor.
4. Remove the MAP sensor from the bracket.

INSTALLATION PROCEDURE




1. Position the MAP sensor to the bracket.
2. Install the inlet vacuum hose to the MAP sensor.
3. Connect the MAP sensor electrical connector.
4. Install the MAP sensor screws.

NOTE: Refer to Fastener Notice in Service Precautions.

Tighten
Tighten the screws to 3 N.m (27 lb in).