Curiosii for ever!: Car repair manuals for everyone.

Wiper Gear Box: Service and Repair

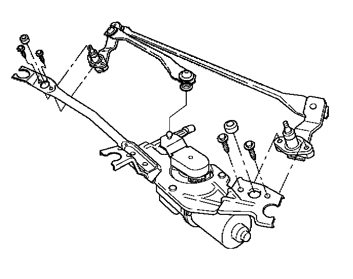
WIPER TRANSMISSION REPLACEMENT

REMOVAL PROCEDURE
1. Remove the air inlet grille panel.
2. Remove the wiper drive system module.




3. Remove the wiper transmission caps.
4. Remove the wiper transmission screws.
5. Remove the wiper transmission from the wiper drive system module tube frame.

INSTALLATION PROCEDURE




1. Position the wiper transmission to the wiper drive system module tube frame.
2. Install wiper transmission screws.

NOTE: Refer to Fastener Notice in Service Precautions.

Tighten
Tighten the screws to 9 N.m (80 lb in).

3. Install the wiper transmission caps.
4. Install the wiper drive system module.
5. Install the air inlet grille panel.
6. Operate the windshield wipers and inspect for proper operation.