Curiosii for ever!: Car repair manuals for everyone.

Air Flow Meter/Sensor: Service and Repair

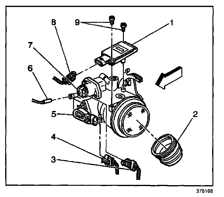
MASS AIR FLOW (MAF) SENSOR REPLACEMENT

REMOVAL PROCEDURE
1. Turn OFF the ignition.
2. Remove the fuel injection sight shield.




3. Disconnect the MAF sensor electrical connector (8) from the MAF sensor (1).

IMPORTANT: The mass air flow (MAF) sensor on this engine is attached to the throttle body assembly.

4. Remove the screws (9) that hold the MAF sensor to the throttle body.
5. Remove the MAF sensor (1) from the throttle body.

INSTALLATION PROCEDURE




1. Install the MAF sensor (1) to the throttle body.
2. Install the screws (9) that hold the MAF sensor to the throttle body.

NOTE: Refer to Fastener Notice in Service Precautions.

Tighten
Tighten the screws to 3 N.m (27 lb in).

3. Connect the MAF sensor electrical connector (8) to the MAF sensor (1).
4. Install the fuel injection sight shield.