Curiosii for ever!: Car repair manuals for everyone.

EGR Valve: Service and Repair

REMOVAL PROCEDURE
1. Turn OFF the ignition.




2. Disconnect the electrical connector from the exhaust gas recirculation (EGR) valve.
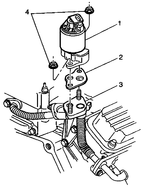
3. Remove the two EGR valve retaining nuts (4).
4. Remove the EGR valve (1).
5. Remove the gasket (2) from the EGR valve inlet pipe.
6. Clean the EGR valve inlet pipe (3) of dirt and debris.

INSTALLATION PROCEDURE
1. Install a new gasket (2) on the EGR inlet pipe.




2. Install the EGR valve (1) and two nuts (4).

NOTE: Refer to Fastener Notice in Service Precautions.

Tighten
Tighten the nuts to 30 N.m (22 lb ft).

3. Connect the EGR valve electrical connector.