Curiosii for ever!: Car repair manuals for everyone.

Compressor Mounting Bracket Replacement

COMPRESSOR MOUNTING BRACKET REPLACEMENT

REMOVAL PROCEDURE

IMPORTANT: Recovering the refrigerant is not necessary to service the compressor mounting bracket.

1. Disconnect the negative battery cable.
2. Remove the accessory drive belt.
3. Raise and support the vehicle.
4. Remove the right wheelhouse extension.
5. Remove the lower air deflector.
6. Remove the A/C compressor front mounting nuts.
7. Remove the A/C compressor rear mounting bolt.
8. Remove the A/C compressor from the mounting bracket.




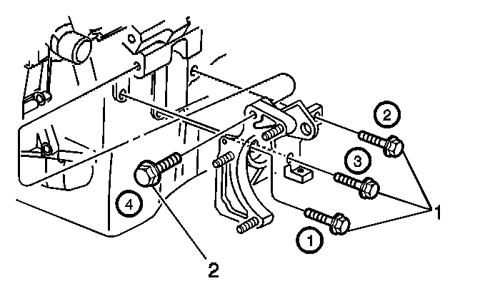
9. Remove the A/C compressor mounting bracket retaining bolts (1,2).
10. Remove the A/C compressor mounting bracket.

INSTALLATION PROCEDURE




1. Install the A/C compressor mounting bracket.

NOTE: Refer to Fastener Notice in Service Precautions.

2. Install the A/C compressor mounting bracket retaining bolts (1,2).

Tighten
1. Tighten the side bracket bolts (1) to 100 N.m (74 lb ft).
2. Tighten the front bracket bolt (2) to 50 N.m (37 lb ft).

3. Install the A/C compressor.
4. Install the front mounting nuts and the bolt.

Tighten
Tighten the nuts to 50 N.m (37 lb ft).

5. Install the rear bolt to the compressor.

Tighten
Tighten the bolt to 50 N.m (37 lb ft).

6. Lower the vehicle.
7. Install the accessory drive belt.
8. Connect the negative battery cable.
9. Install the lower air deflector.
10. Install the right wheelhouse extension.