Curiosii for ever!
: Car repair manuals for everyone.
Home
>>
Buick
>>
2003
>>
Century V6-3.1L VIN J
>>
Repair and Diagnosis
>>
Windows and Glass
>>
Windows
>>
Power Window Motor
>>
Locations
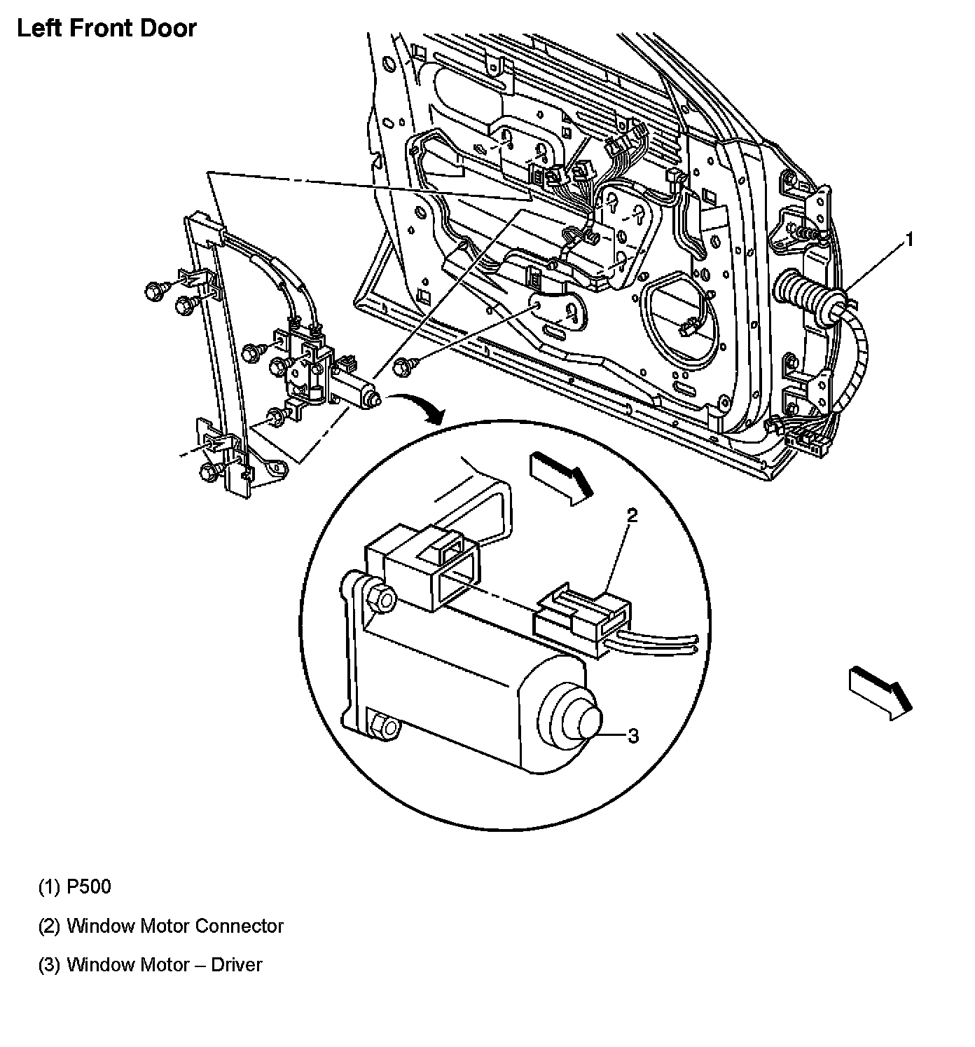
Power Window Motor: Locations
Left Font Door: