Curiosii for ever!: Car repair manuals for everyone.

Wiper Control Module: Service and Repair

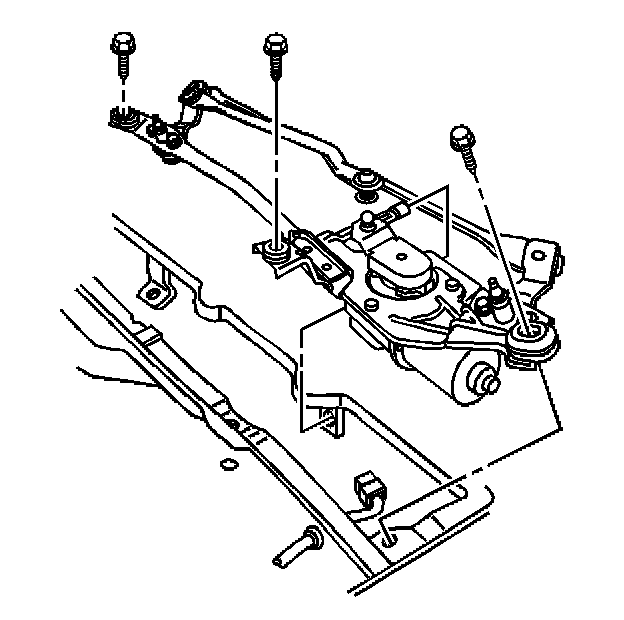
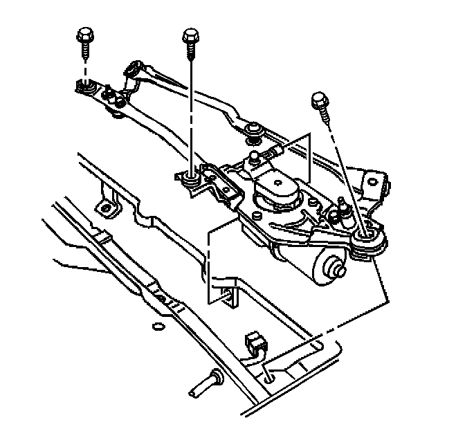
WIPER DRIVE SYSTEM MODULE REPLACEMENT

TOOLS REQUIRED
- J 39232 Wiper Transmission Separator
- J 39529 Wiper Transmission Installer

REMOVAL PROCEDURE
1. Remove the air inlet grille panel.
2. Remove the wiper motor water deflector.




3. Using the J 39232 , disconnect the wiper transmission from the wiper motor crank arm to aid in the removal of the wiper drive system module.




4. Remove the wiper drive system module screws.
5. Disconnect the wiper motor electrical connector.
6. Remove the wiper drive system module from the vehicle.

INSTALLATION PROCEDURE




1. Position the wiper drive system module to the vehicle.
2. Connect the wiper motor electrical connector.
3. Install the wiper drive system screws.

NOTE: Refer to Fastener Notice in Service Precautions.

Tighten
Tighten the screws to 10 N.m (89 lb in).

4. Using the J 39529 , Install the wiper transmission to the wiper motor crank arm.
5. Install the wiper motor water deflector.
6. Install the air inlet grille panel.
7. Inspect the wipers for proper operation.