Curiosii for ever!: Car repair manuals for everyone.

Lamp Control Module: Service and Repair

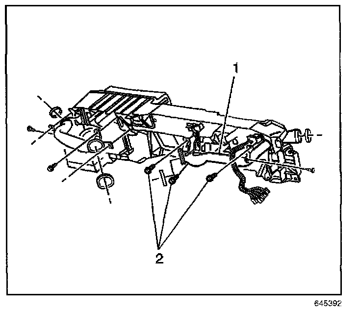
REMOVAL PROCEDURE




1. Remove the lower IP trim panel.
2. Remove the fasteners (2) securing the heater A/C duct.
3. Move the heater A/C duct aside in order to gain access to the panel dimming control module bracket.




4. Remove three fasteners (3) securing the lamp control module bracket to the instrument panel.
5. Disconnect the electrical connectors from the lamp control module (2).

INSTALLATION PROCEDURE




1. Connect the electrical connectors from the lamp control module (2).
2. Install the lamp control module bracket (2) to the instrument panel.




3. Reposition the heater A/C duct.
4. Install the fasteners (2) securing the heater A/C duct.
5. Install the lower IP trim panel.