Curiosii for ever!: Car repair manuals for everyone.

Communication Interface Module Replacement

Communication Interface Module Replacement (Late Production (F1) Onstar)


REMOVAL PROCEDURE

IMPORTANT: Do not exchange the vehicle communication interface module with other Vehicles. Each vehicle communication interface module has a specific station identification (STID) and electronic serial number (ESN). These identification numbers are stored in the General Motors vehicle history files by VIN and are used by OnStar(R) and the National Cellular Telephone Network.




1. Remove the rear compartment trim.
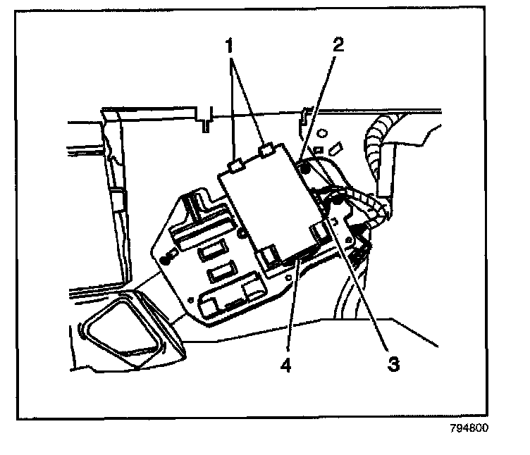
2. Disconnect the antenna (2) and electrical connections (3) from the vehicle communication interface module (VCIM) (4).
3. Release the VCIM retaining tabs (1).
4. Slide the vehicle VCIM (4) out of the electrical component mounting bracket.

INSTALLATION PROCEDURE




1. When replacing the VCIM, record the 11-digit electronic serial number (ESN) and the 10-digit station identification (STID) number from the label on the new VCIM (4).
2. Slide the VCIM (4) into the electrical component mounting bracket.
3. Push in on the top of the VCIM (4) until an audible click is heard, indicating the retaining tabs (1) have securely fastened the VCIM (4) to the electrical component mounting bracket.
4. Connect the antenna cable (2) and electrical connections (3) to the VCIM (4).
5. Install the rear compartment trim.

IMPORTANT: Pressing and holding the white dot button on the keypad will not reset this version of the OnStar system. This action will cause a DTC to set.

6. If replacing the VCIM, perform the following:
6.1. Install the scan tool. Use the special functions menu in order to perform the OnStar setup procedure for this vehicle.
6.2. Move the vehicle to an open area that is away from tall buildings, and with a clear view of unobstructed sky. Allow the vehicle to run for 10 minutes.
6.3. Use the ID Information, Module 2 screen of the scan tool in order to access the new station ID and electronic serial number from the new VCIM.
6.4. Press the blue OnStar button twice to connect to OnStar. Tell the advisor that this vehicle has received a new VCIM. Ask the advisor to add the new STID and ESN to the customer's account.
6.5. Follow any additional instructions from the OnStar advisor.