Curiosii for ever!: Car repair manuals for everyone.

Manifold Pressure/Vacuum Sensor: Service and Repair

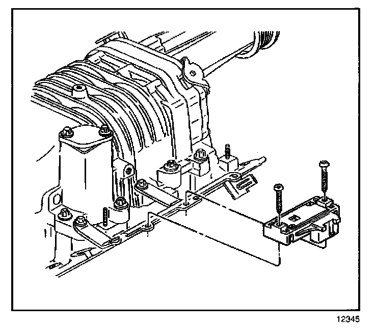
MANIFOLD ABSOLUTE PRESSURE (MAP) SENSOR REPLACEMENT

REMOVAL PROCEDURE




1. Turn OFF the ignition.
2. Remove the fuel injector sight shield.
3. Remove the screws.
4. Disconnect the MAP sensor electrical connector and vacuum hose from the sensor.
5. Remove the MAP sensor.

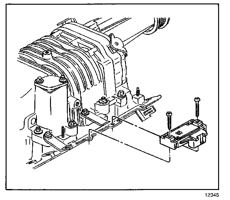
INSTALLATION PROCEDURE




1. Connect the electrical connector and vacuum hose to the MAP sensor.

NOTE: Refer to Fastener Notice in Service Precautions.

2. Position the MAP sensor to the bracket and secure with the screws.

Tighten
Tighten the screws to 5 N.m (44 lb in).

3. Install the fuel injector sight shield.