Curiosii for ever!: Car repair manuals for everyone.

Housing Assembly HVAC: Service and Repair

HVAC MODULE ASSEMBLY REPLACEMENT

TOOLS REQUIRED
J 39400-A Halogen Leak Detector

REMOVAL PROCEDURE




1. Recover the refrigerant. Refer to Refrigerant Recovery and Recharging.
2. Remove the cross vehicle brace.
3. Drain the cooling system.
4. Remove the cross vehicle beam.
5. Remove the A/C lines from the evaporator block fitting.
6. Remove the heater hoses from the heater core.

IMPORTANT: Position the heater core outlet cover downward and rearward in order to disconnect the cover from the rear area floor duct assembly.

7. Remove the heater core outlet cover screws.
8. Remove the heater core outlet cover.




9. Remove the evaporator blower motor clog tube.




10. Remove the HVAC module assembly mounting nuts from the cowl.




11. Disconnect the vacuum hoses.
12. Disconnect the electrical connectors.
13. Remove the HVAC module assembly.
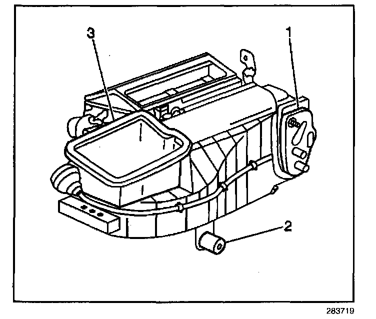
14. Remove all of the outer HVAC module assembly seals (1, 2, 3).

INSTALLATION PROCEDURE




1. Install new outer HVAC module assembly seals (1, 2, 3).
2. Install the HVAC module assembly to the vehicle.

NOTE: Refer to Fastener Notice in Service Precautions.




3. Install the HVAC module assembly to dash nuts.

Tighten
Tighten the HVAC module assembly nuts to 10 N.m (89 lb in).




4. Install the evaporator blower motor clog tube.




5. Connect the electrical connectors.
6. Connect the vacuum hoses.
7. Install the heater core outlet cover.
8. Install the heater core outlet cover screws.

Tighten
Tighten the heater core outlet cover screws to 1.5 N.m (13 lb in).

9. Install the cross vehicle beam.
10. Install the heater hoses to the heater core.
11. Install the A/C lines to the evaporator block fitting.
12. Fill the cooling system.
13. Install the cross vehicle brace.
14. Evacuate and recharge the A/C system. Refer to Refrigerant Recovery and Recharging.
15. Leak test the fittings of the component using J 39400-A.