Curiosii for ever!: Car repair manuals for everyone.

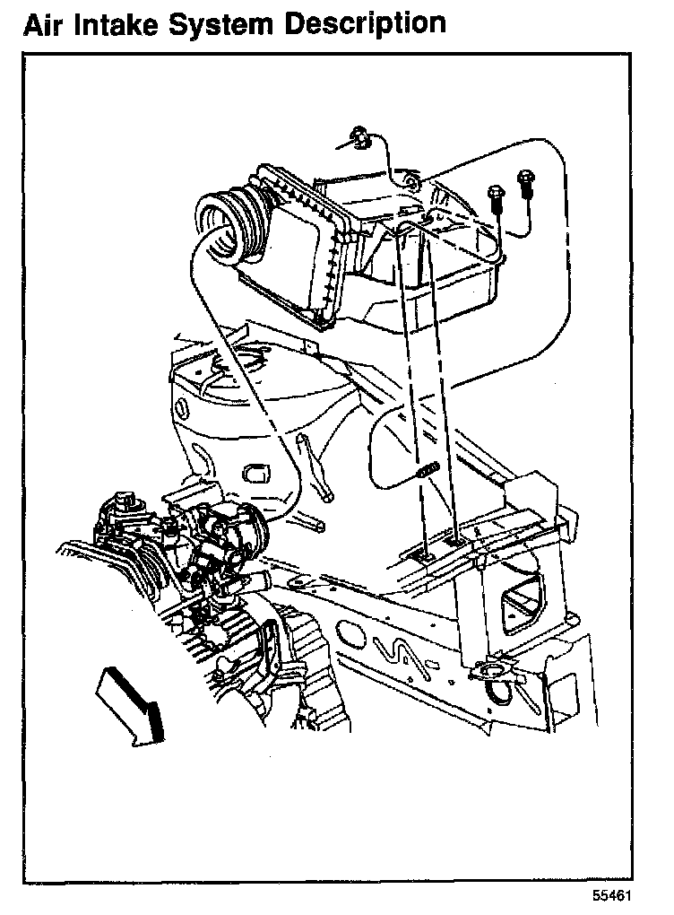
Air Intake System

Air Intake System Description:




The air induction system provides contaminant and sound filtration of the outside air as it is drawn into the engine. A remotely mounted air cleaner prevents contaminants in the air from entering the engine. The filtered air is routed into a forward mounted resonator by an intermediate air duct assembly. The resonator aids in reducing induction noise. The air then enters the engine by flowing through the throttle body, into the intake manifold, through the cylinder head intake ports, and into the cylinders.