Curiosii for ever!: Car repair manuals for everyone.

Electronic Brake Control Module: Service and Repair

Electronic Brake Control Module (EBCM) Replacement
Removal Procedure





1. Turn OFF the ignition.
2. Raise the vehicle. Refer to Vehicle Lifting.
3. Remove the left front wheel.
4. Remove the left front fascia extension.

Important: The area around the electronic brake control module (EBCM) must be free from loose dirt to prevent contamination of dissembled ABS components.

5. Thoroughly clean all of the contaminants from and around the EBCM assembly.
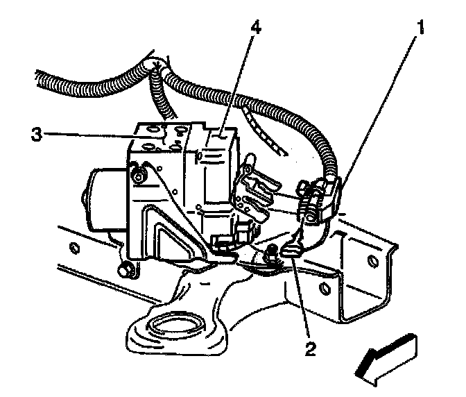
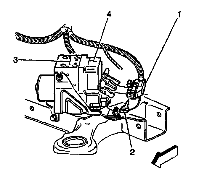
6. Rotate the EBCM connector tab up to the unlocked position.
7. Remove the EBCM connector position assurance (2) from the EBCM electrical connector (1).

Notice: To prevent equipment damage, never connect or disconnect the wiring harness connection from the EBCM with the ignition switch in the ON position.

8. Disconnect the EBCM electrical connector (1) from the EBCM (4).





9. Disconnect the brake pressure modulator valve (BPMV) electrical connector (2) from the EBCM (3).





10. Remove the 6 EBCM to BPMV screws (2).





11. Clean the surface of the EBCM/BPMV assembly.

Important: The EBCM cannot be repaired. if faulty, the unit must be replaced.

12. Separate the EBCM (2) from the BPMV (1).

Installation Procedure





1. Clean the seal surface of the BPMV.
2. install the EBCM (2) to the BPMV (1).





Notice: Refer to Fastener Notice in Service Precautions.

3. Install the 6 EBCM to BPMV screws (2).
^ Tighten the 6 screws to 3.2 Nm (28 inch lbs.).





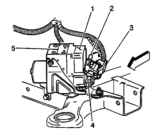
4. Connect the BPMV electrical connector (2) to the EBCM (3).





Notice: To prevent equipment damage, never connect or disconnect the wiring harness connection from the EBCM with the ignition switch in the ON position.

5. Connect the EBCM electrical connector (1) to the EBCM (4).
6. Install the EBCM connector position assurance (2) to the EBCM electrical connector (1).





7. Rotate the EBCM connector tab (2) down to the locked position.
8. Install the left front fascia extension.
9. Install the left front wheel.
10. Lower the vehicle. Refer to Vehicle Lifting.
11. If a replacement EBCM is being installed, it must be programmed using the latest software matching the vehicle.
12. Use the scan tool in order to clear the DTCs.
13. Perform the ABS Diagnostic System Check. Refer to A Diagnostic System Check - ABS.
Initial Inspection and Diagnostic Overview