Curiosii for ever!: Car repair manuals for everyone.

Starter Motor: Service and Repair

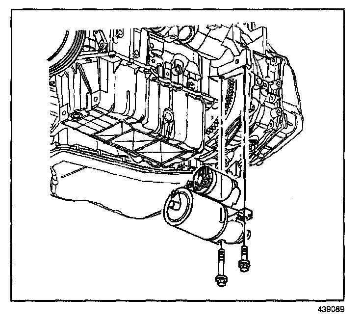
STARTER MOTOR REPLACEMENT

REMOVAL PROCEDURE




1. Disconnect the battery negative cable.
2. Raise and support the vehicle.
3. Remove the torque converter cover.
4. Remove the transaxle cooler line clip from the transaxle.
5. Disconnect the battery positive cable from the starter.
6. Disconnect the wire from the solenoid S-terminal on the starter.




7. Remove the 2 starter motor mounting bolts.
8. Remove the starter motor.

INSTALLATION PROCEDURE




1. Install the starter motor.

NOTE: Refer to Fastener Notice in Service Precautions.

2. Install the starter motor mounting bolts.

Tighten
Tighten the starter motor mounting bolts to 43 N.m (32 lb ft).




3. Connect the battery positive cable to the starter.

Tighten
Tighten the battery positive cable to the starter nut to 10 N.m (89 lb in).

4. Connect the starter motor S-terminal wire.

Tighten
Tighten the solenoid S-terminal nut to 2.5 N.m (22 lb in).

5. Install the torque converter cover.
6. Install the transaxle oil cooler clip.
7. Lower the vehicle.
8. Connect the battery negative cable.