Curiosii for ever!: Car repair manuals for everyone.

Exhaust Gas Recirculation: Service and Repair

EXHAUST GAS RECIRCULATION (EGR) SYSTEM CLEANING

CAUTION: Refer to Exhaust Gas Recirculation (EGR) Caution in Service Precautions.




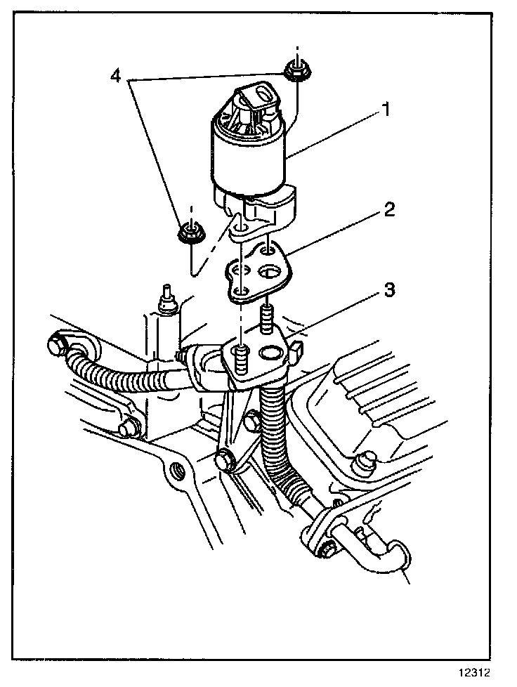
1. Remove the Exhaust Gas Recirculation (EGR) valve.
2. Depress the pintle several times using a pencil eraser or other suitable soft instrument. The pintle should move in and out smoothly. Replace the valve if the valve exhibits tendencies to stick.
3. Try to rotate the EGR valve electrical connector housing. Repeat for the coil housing. Replace the valve if the valve exhibits any looseness.
4. Inspect the EGR valve pintle and seat for deposits. Use a cloth or other suitable soft device to remove the deposits. Remove all loose particles. Replace the valve if the deposits are such that the pintle to base interface cannot be cleaned adequately to allow the pintle to seal against the seat. Damage to the powdered metal EGR valve base occurs if cleaned with solvents, sharp tools, wire brush or wheel, or sand blasting. Cleaning by these methods is not recommended.




5. Remove the EGR pipes.
6. Clean the passages with a wire brush. Remove all loose particles.
7. Install the EGR pipes.
8. Install the EGR valve.