Curiosii for ever!
: Car repair manuals for everyone.
Home
>>
Buick
>>
2001
>>
LeSabre V6-3.8L VIN K
>>
Repair and Diagnosis
>>
Powertrain Management
>>
Diagrams
>>
Electrical Diagrams
>>
Engine Controls
>>
HVAC Controls
HVAC Controls
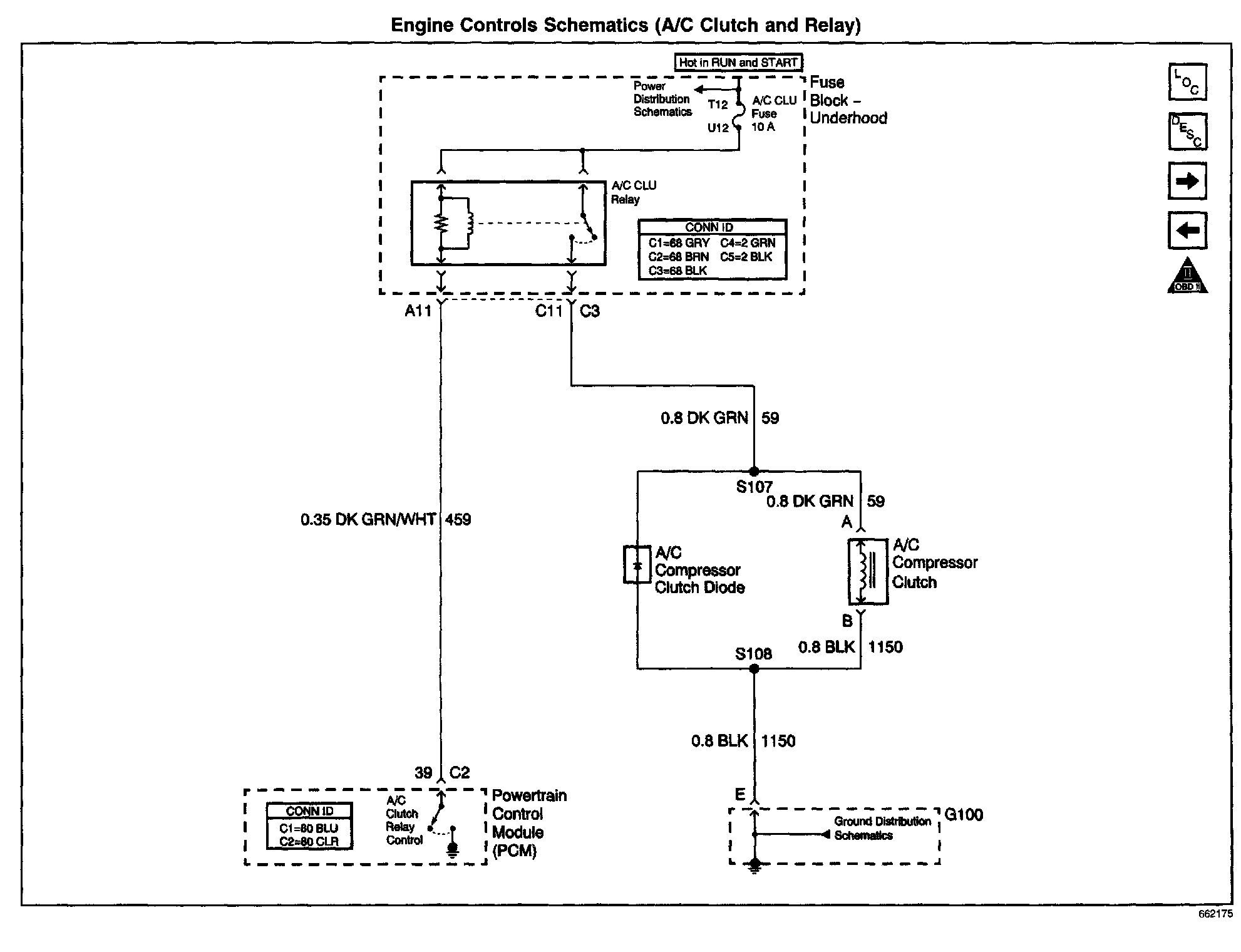
Engine Controls Schematics: A/C Clutch and Relay: