Curiosii for ever!
: Car repair manuals for everyone.
Home
>>
Buick
>>
2001
>>
LeSabre V6-3.8L VIN K
>>
Repair and Diagnosis
>>
Locations
>>
Harness Locations
>>
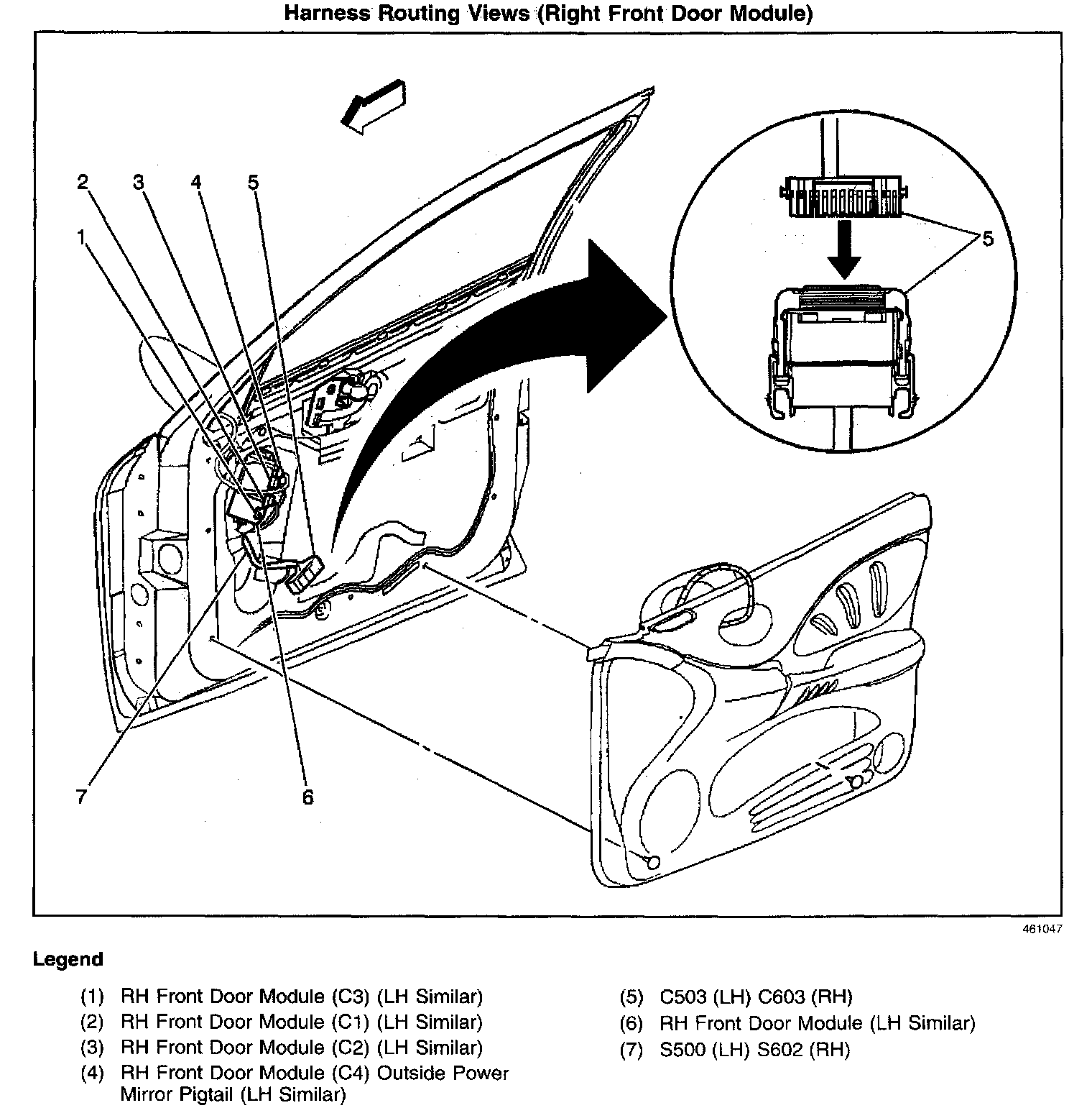
Right Front Door Module
Right Front Door Module
Harness Routing Views (Right Front Door Module):