Curiosii for ever!: Car repair manuals for everyone.

Starter Motor: Service and Repair

STARTER MOTOR REPLACEMENT

REMOVAL PROCEDURE




1. Disconnect the battery negative cable.
2. Raise and suitably support the vehicle. Refer to Lifting and Jacking the Vehicle in General Information.
3. Remove the front lower air deflector panel. Refer to Radiator Air Baffle Assemblies and Deflectors in Cooling System.
4. Remove the torque converter covers.
5. Remove the starter solenoid BAT terminal nut (8) and disconnect the positive battery cable (9) at the starter motor.
6. Remove the starter solenoid S terminal nut (7) and disconnect the starter solenoid wire (6) at the starter motor.




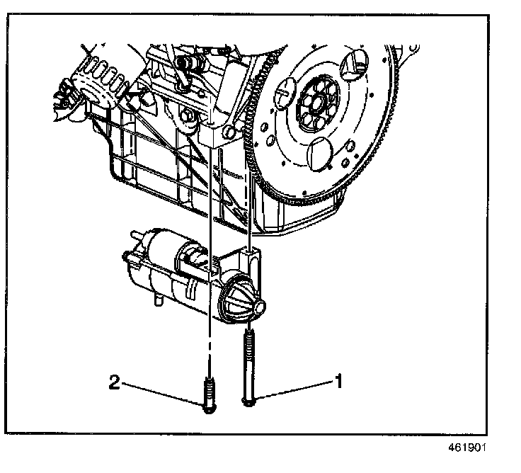
7. Remove the starter bolts (1, 2) and the starter motor. Remove the shims, if necessary.

INSTALLATION PROCEDURE




1. The 3.1 L uses a PG260 F1 starter motor. Make sure the correct starter motor is being installed.




2. Align the starter motor to the engine. Install any shims, if removed.

NOTE: Refer to Fastener Notice in Service Precautions.

3. Install the starter bolts (1,2) finger tight until seated.

Tighten
Tighten the starter bolts (1,2) to 43 N.m (32 lb ft).




4. Connect the positive battery cable (9) and install the solenoid BAT terminal nut (8) finger tight at the starter motor.
5. Connect the starter solenoid wire (6) and install the starter solenoid S terminal nut (7) finger tight at the starter motor.

Tighten
^ Tighten the solenoid BAT terminal nut (8) to 9.5 N.m (84 lb in).
^ Tighten the starter solenoid S terminal nut (7) to 2.3 N.m (20.4 lb in).

6. Install the torque converter covers.
7. Install the front lower air deflector panel. Refer to Radiator Air Baffle Assemblies and Deflectors in Cooling System.
8. Lower the vehicle.
9. Connect the battery negative cable.